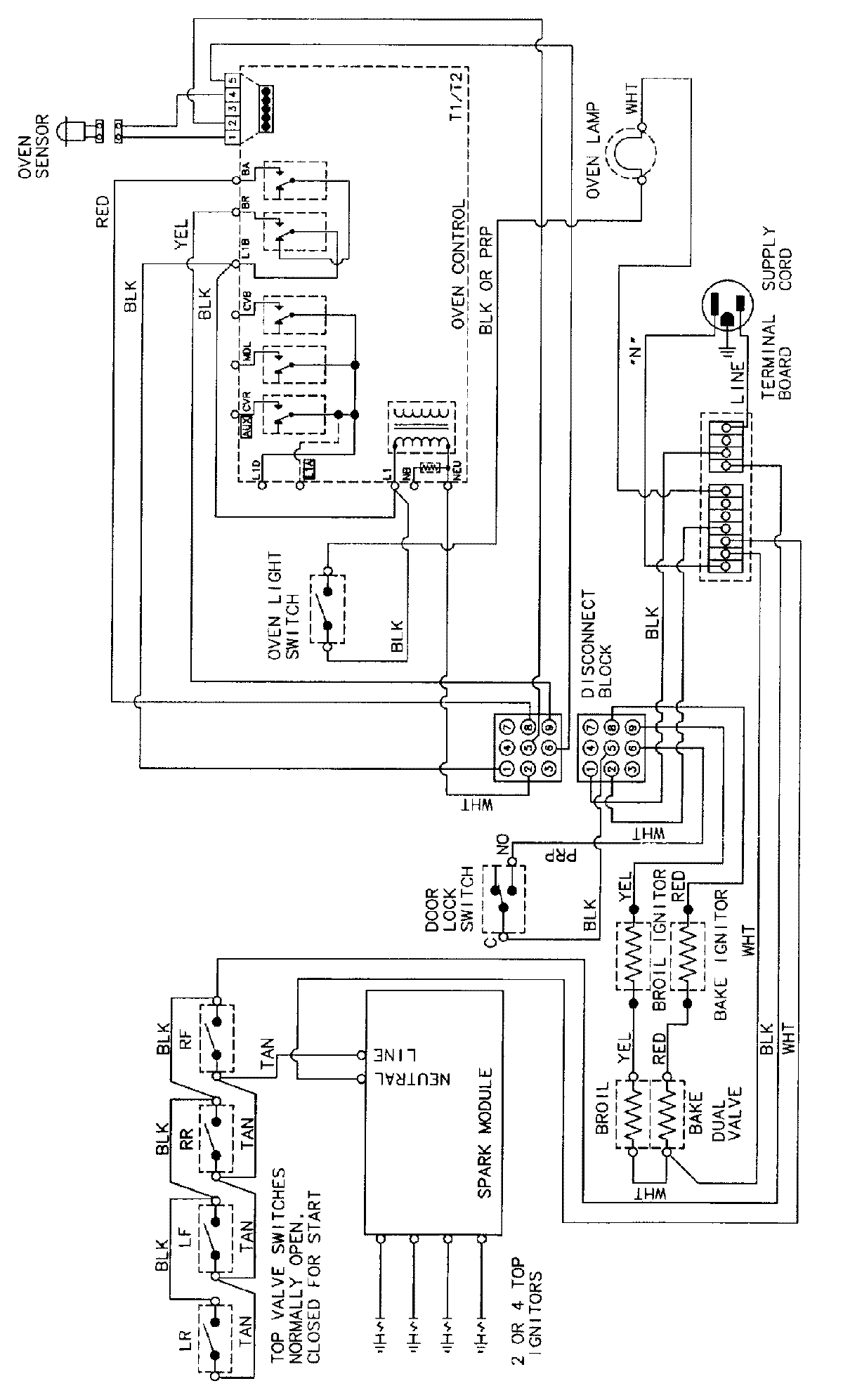
CGR3760BDB 07 – WIRING INFORMATIONadmin2025-04-26T09:37:53+00:00CGR3760BDB 07 – WIRING INFORMATION ProductsPositionProductNIMAY 15002243