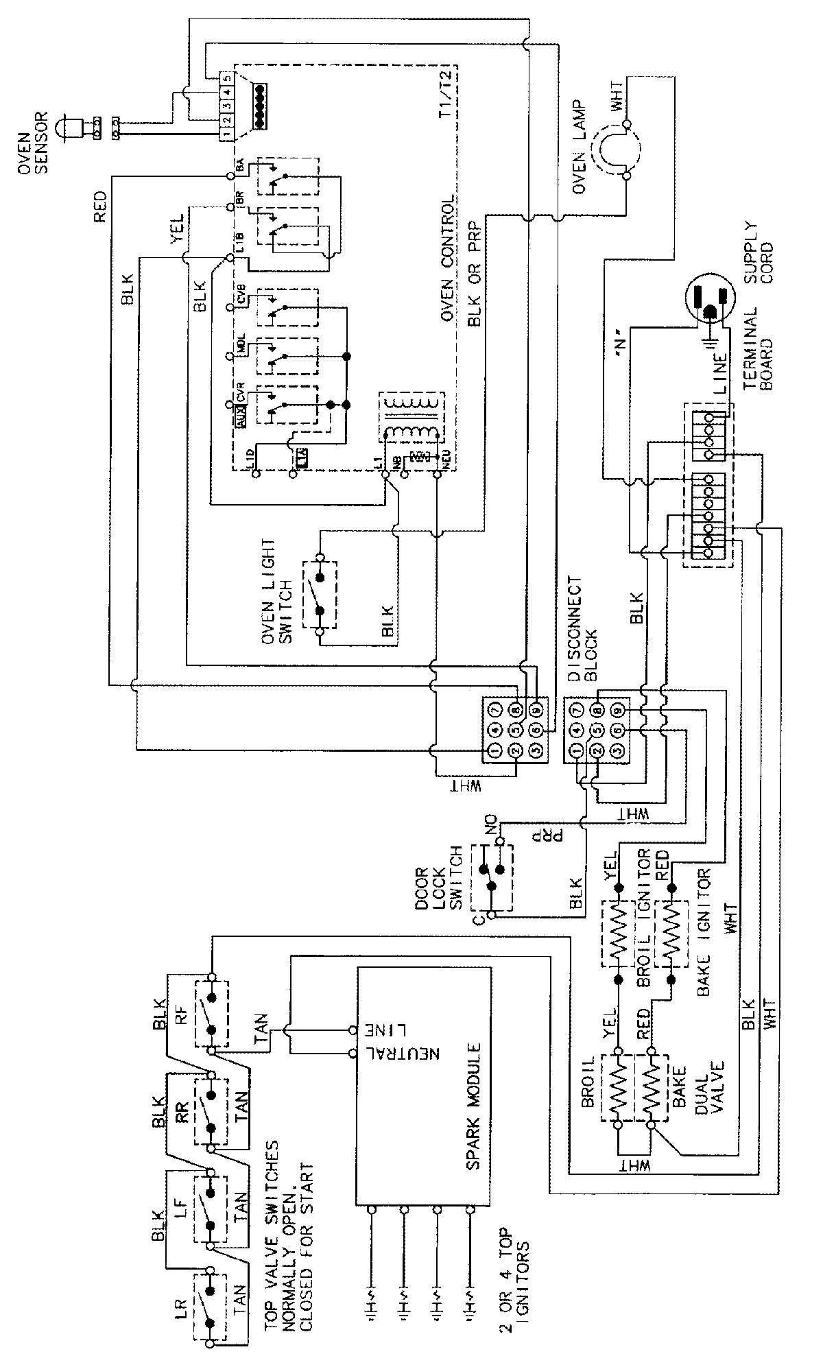
CGR3760BDW 07 – WIRING INFORMATIONadmin2025-04-26T09:39:49+00:00CGR3760BDW 07 – WIRING INFORMATION ProductsPositionProductNIMAY 15002243