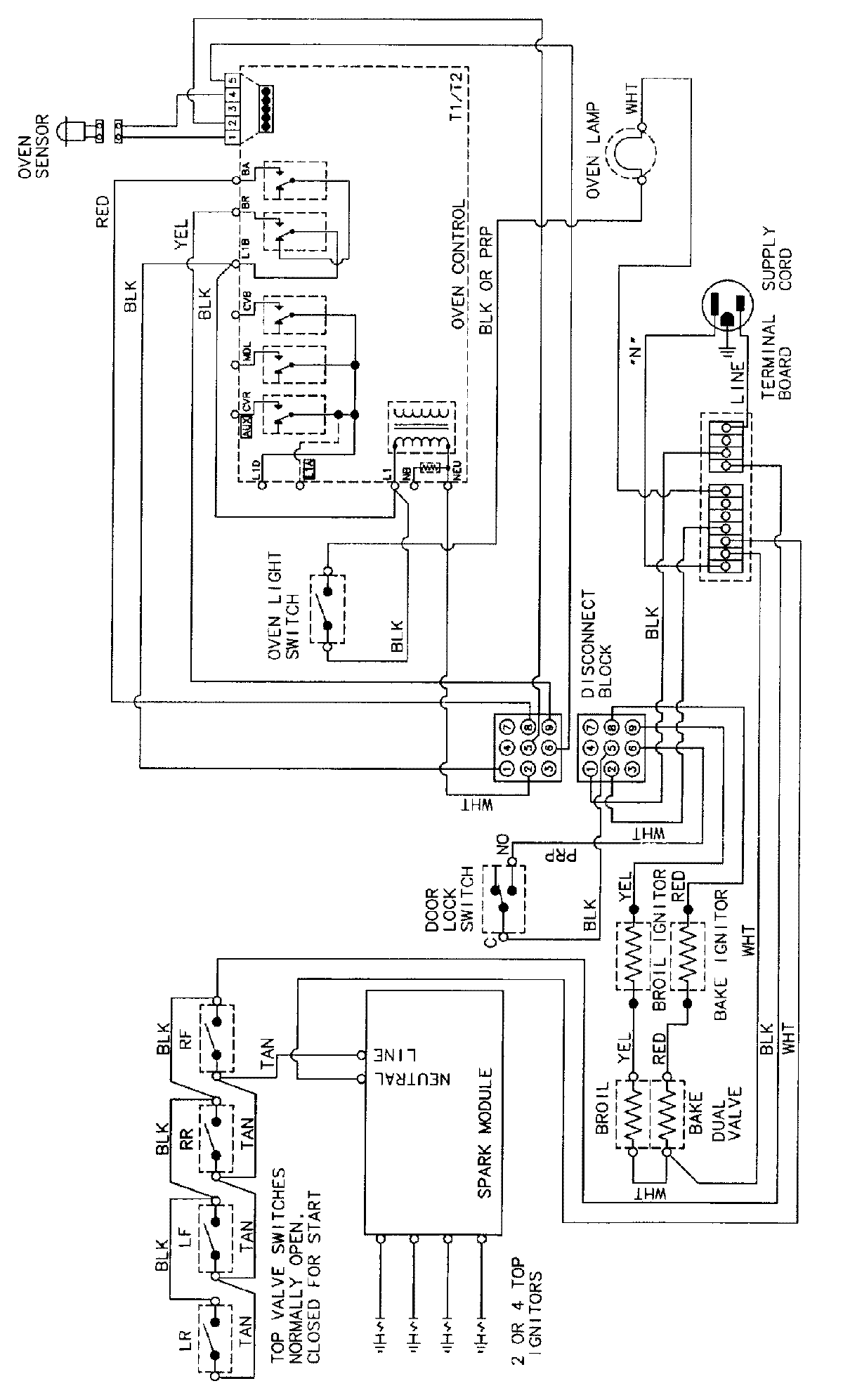
CGR3765BDC 07 – WIRING INFORMATION

CGR3765BDC 07 – WIRING INFORMATION

Products

PositionProduct
NIMAY 15002243