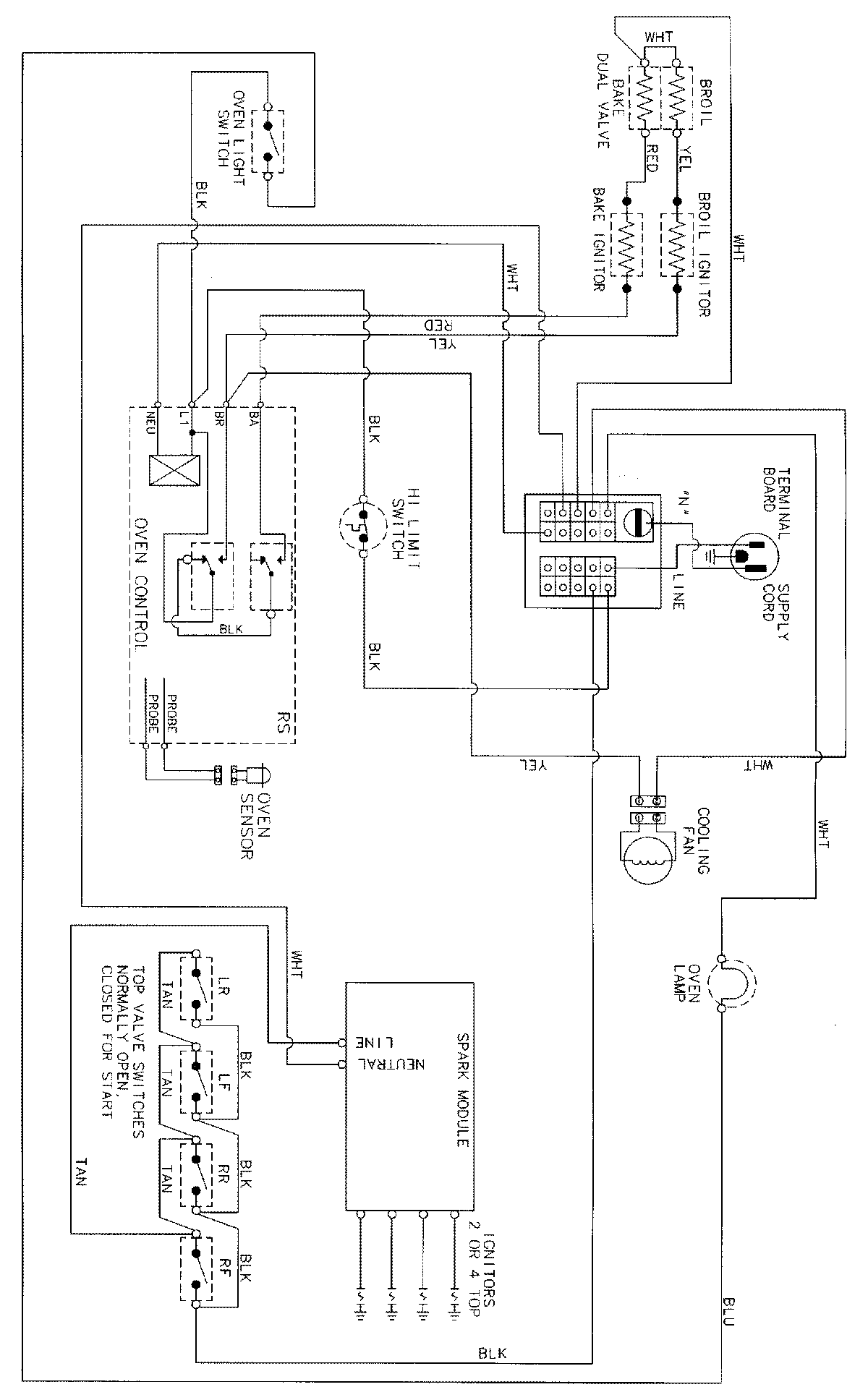
CGS1740ADH 06 – WIRING INFORMATIONadmin2025-04-26T09:40:03+00:00CGS1740ADH 06 – WIRING INFORMATION ProductsPositionProductNIMAY 15002571