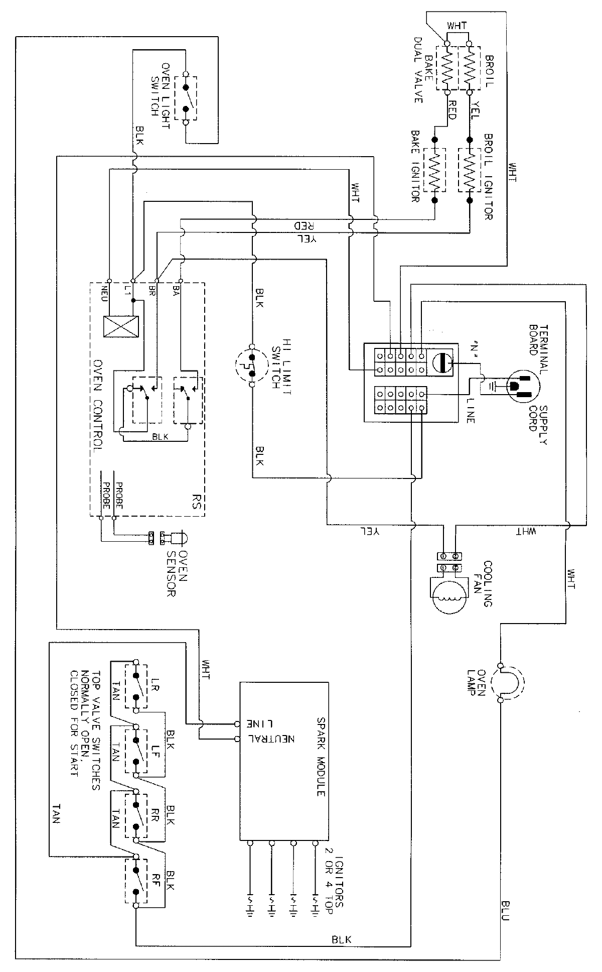
CGS1740ADT 06 – WIRING INFORMATIONadmin2025-04-26T09:38:34+00:00CGS1740ADT 06 – WIRING INFORMATION ProductsPositionProductNIMAY 15002571