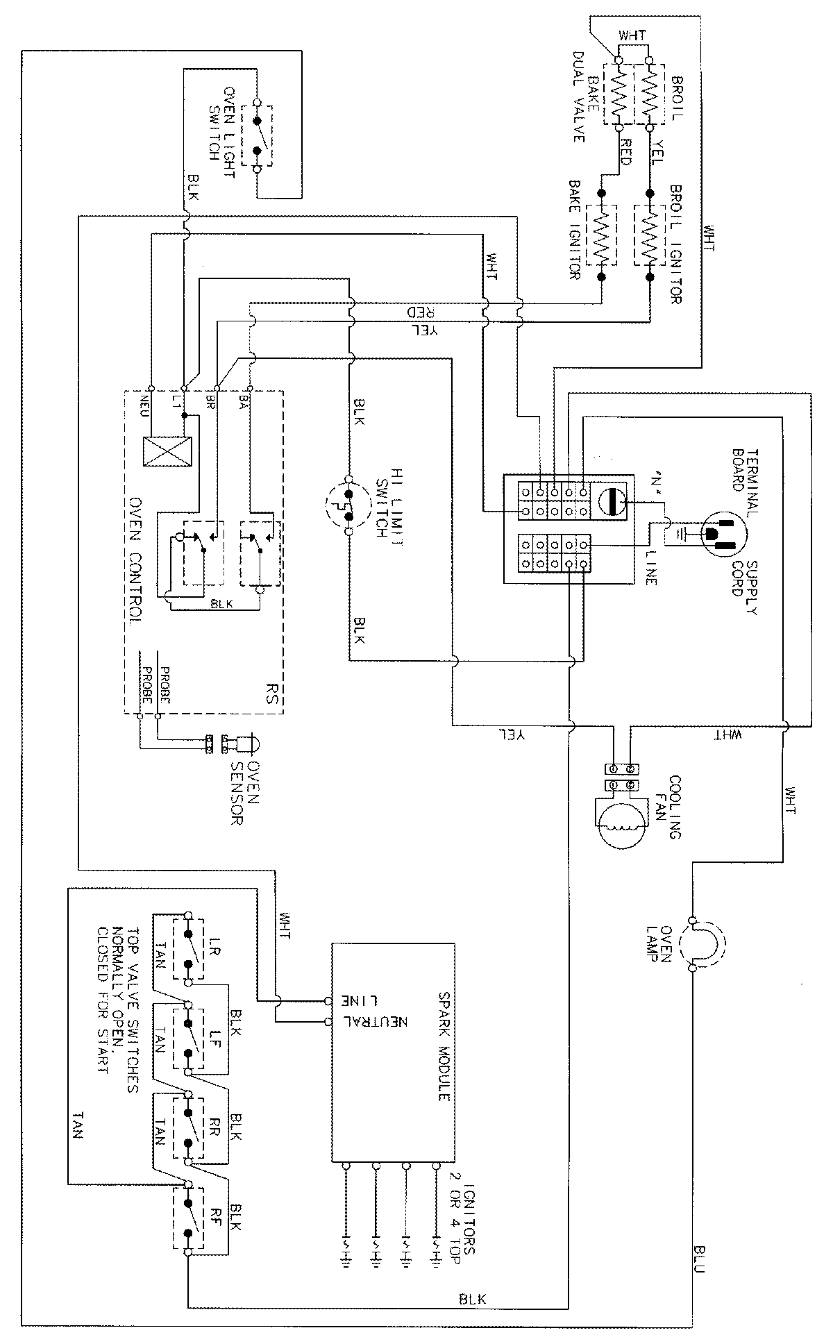
CGS1750ADH 06 – WIRING INFORMATIONadmin2025-04-26T09:39:19+00:00CGS1750ADH 06 – WIRING INFORMATION ProductsPositionProductNIMAY 15002571