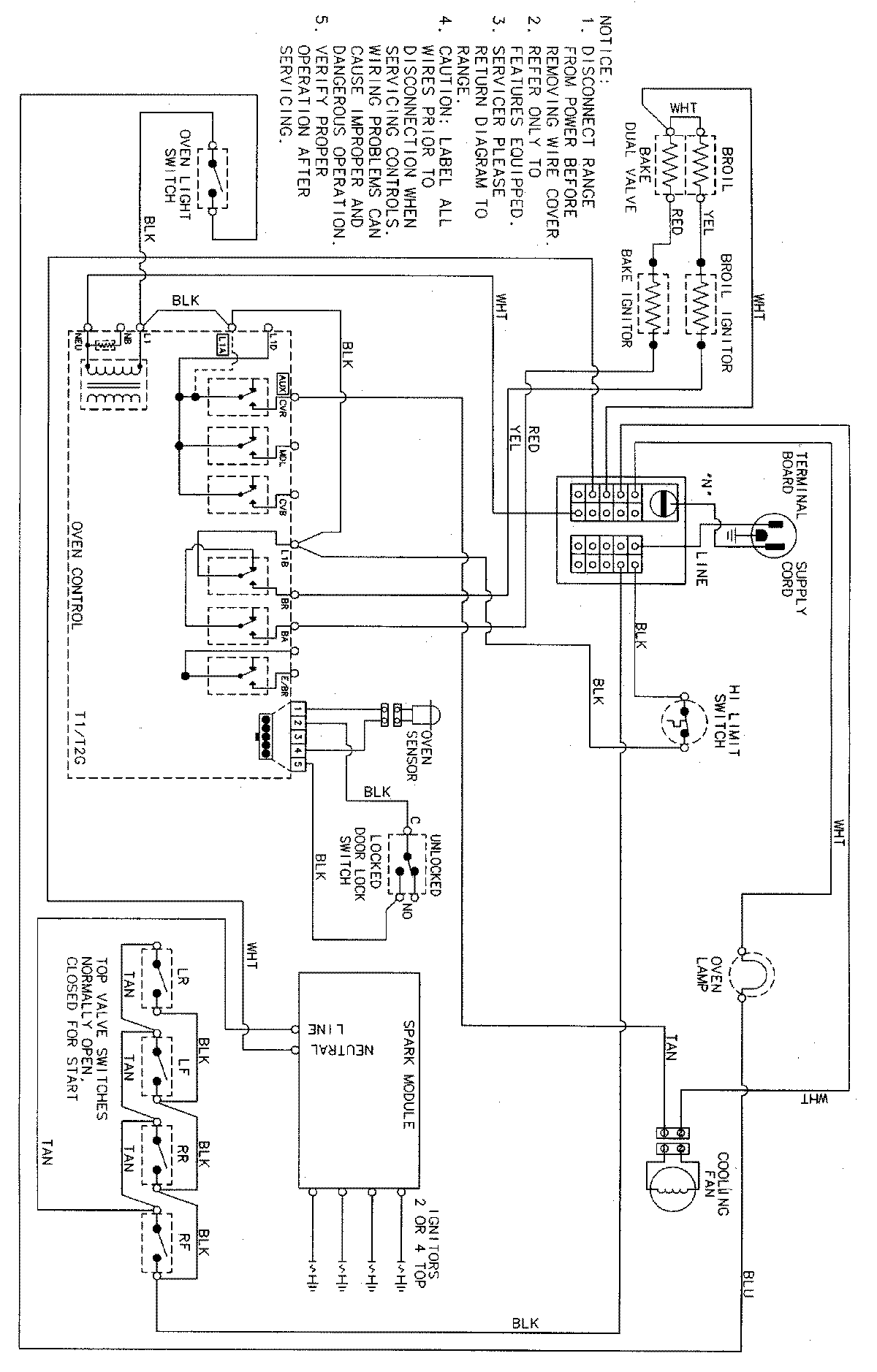
CGS3760ADB 06 – WIRING INFORMATIONadmin2025-04-26T09:38:23+00:00CGS3760ADB 06 – WIRING INFORMATION ProductsPositionProductNIMAY 15002576