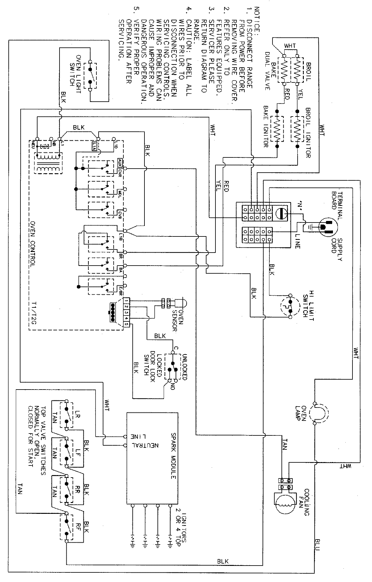
CGS3760ADW 06 – WIRING INFORMATIONadmin2025-04-26T09:39:56+00:00CGS3760ADW 06 – WIRING INFORMATION ProductsPositionProductNIMAY 15002576