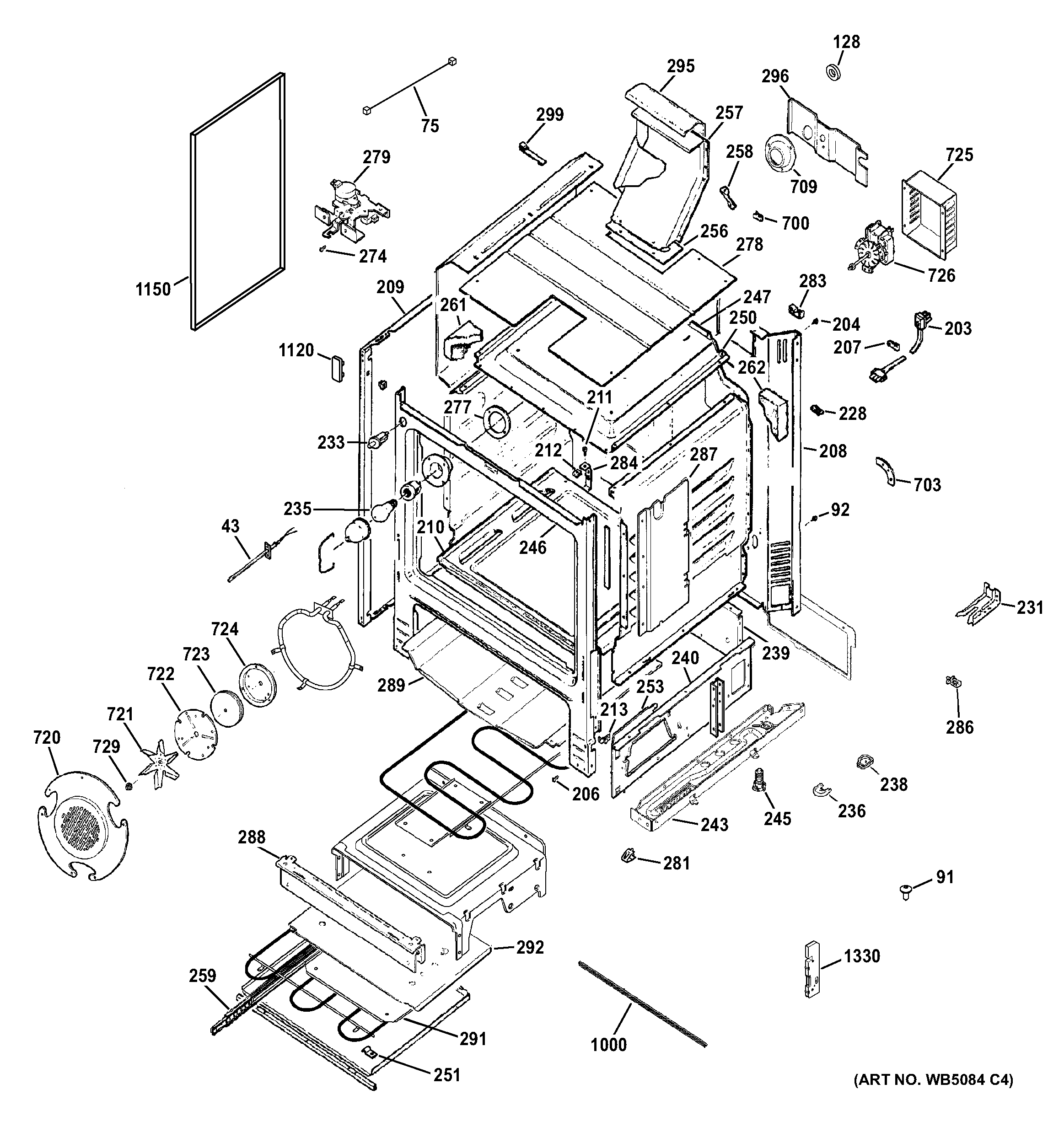
| 43 | TEMPERATURE SENSOR |
| 75 | WB18K10083 GE Oven Ground Harness |
| 91 | WB01T10008 GE Oven Screw 10-32 |
| 92 | WB1X1261 GE Oven Screw |
| 128 | LAMP INSULATION |
| 203 | WB18K10081 GE Oven Line Cord |
| 204 | WZ4X345D GE Screw Package 12 C92 |
| 204 | WB1K5062 GE Oven Screw |
| 207 | WB2K36 GE Oven Clamp Cable |
| 208 | WB63K10227 GE Back Cover |
| 209 | GEN WB63K10288 |
| 209 | GEN WB63K10287 |
| 211 | WB1K5 GE Oven Screw 8-18 X B97 |
| 212 | WB1K2 GE Oven Speednut |
| 213 | WB1K3 GE Oven Speed Nut |
| 228 | GEN WB02X7066 |
| 231 | WB02K10254 GE Oven Anti-Tip Bracket Assembly |
| 233 | WB24K10068 GE Oven Plunger Switch |
| 235 | WB08T10002 OVEN LAMP ASSEMBLY 40W BULB |
| 236 | WB02K10104 GE Base Spacer |
| 238 | WB02K10270 GE Spacer Base |
| 239 | PANEL REAR BROIL |
| 240 | WB63K10056 GE Oven Broil Side Panel |
| 240 | WB63K10055 GE Oven Broil Side Panel |
| 243 | SUPPORT BASE LEFT |
| 243 | WB63K10256 GE Oven Support Base |
| 245 | WB02K10182 GE Oven Leveling Leg |
| 246 | WB63K10257 GE Range Frame |
| 247 | WB53K10017 GE Top Panel |
| 250 | WB63K10228 GE Oven Back Panel |
| 251 | WB02K10023 GE Oven Heating Element Clamp |
| 253 | WB02K10109 GE Access Cover Spring |
| 253 | WB02K10108 GE Access Spring Cover |
| 256 | WB32K10051 GE Vent Gasket |
| 257 | WB38K10017 GE Vent Assembly |
| 258 | GEN WB02K10253 |
| 259 | WB39K10021 GE Oven Left Drawer Slide Assembly |
| 259 | WB39K10020 GE Oven Right Drawer Slide Assembly |
| 261 | WB35K10143 GE Oven Insulation Wrap |
| 262 | GEN WB35K10214 |
| 274 | GEN WB01K0044 |
| 277 | WB32K10044 GE Oven Light Gasket |
| 278 | GEN WB53K10030 |
| 279 | GEN WB02K10388 |
| 283 | WB02X21679 GE Oven Wire Clip |
| 284 | WB2K32 GE Oven Support Bracket |
| 286 | WB02K10068 GE Wire Clip |
| 287 | WB34K30 GE Radiation Guard |
| 287 | GEN WB34K0031 |
| 288 | BRACE |
| 289 | WB34K10086 GE Oven Lower Heat Shield |
| 291 | WB63K16 GE Oven Bottom Guard |
| 292 | WB63K10187 GE Bottom Inner Guard |
| 295 | WB35K10213 GE Vent Insulation |
| 296 | WB34K13 GE Oven B Panel Cover |
| 299 | GEN WB02K0038 |
| 700 | RETAINER-INSULATION |
| 703 | BRACKET OVEN |
| 709 | WB08K10018 GE Range Light Cover |
| 720 | WB34K10142 GE Fan Cover Assembly |
| 721 | WB2X8351 GE Oven Blade Fan |
| 722 | WB34K10038 GE Oven Fan Cover Back |
| 723 | WB35K10038 GE Fan Insulator Range |
| 724 | WB02K10034 GE Range Fan Support |
| 725 | WB34K10135 GE Motor Cover |
| 726 | WB26K10003 GE Oven Convection Fan Motor |
| 729 | WB02T10017 GE Oven Nut |
| 1000 | RUBBER STRIP FRONT FRAME |
| 1120 | WB02K10178 GE Oven Bumper |
| 1150 | WB35K10100 GE Range Side Insulation |
| 1330 | WB10K10029 GE Oven Receiver Hinge |