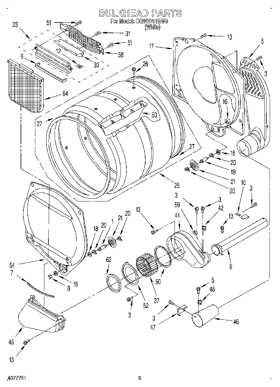
CGW2761EW0 03 – BULKHEAD, LIT/OPTIONAL