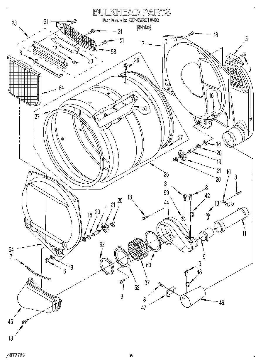
CGW2791EW0 03 – BULKHEAD, LIT/OPTIONALadmin2025-04-26T09:34:31+00:00CGW2791EW0 03 – BULKHEAD, LIT/OPTIONAL ProductsPositionProduct350930 Whirlpool White Spray PaintLabel, Wiring DiagramInstructions, InstallationAlmond (Uncut)WP72107 Whirlpool Touchup799344 Whirlpool Refrigerator Paint350938 Whirlpool Spray Gun350956 Whirlpool Spray Assembly72017 Whirlpool Appliance Touch-Up Paint White1SHAFT3WPW10139210 Whirlpool Screw5Air Duct Assembly6WP697813 Whirlpool Seal8WP3359452 Whirlpool Nut9WP8563747 Whirlpool Exhaust Pipe10WP3395536 Whirlpool Clip Assembly11Extension, Exhaust Pipe12WP3394986 Whirlpool Spring13WP488729 Whirlpool Refrigerator Door Screw16Nut, 3/8-16 (L.H.)17W11299300 Whirlpool Bulkhead Assembly18W11236646 Whirlpool Washer Assembly19SHAFT20WPW10512946 Whirlpool Dryer Tri-Ring Drum Roller21WPW10314173 Whirlpool Dryer Drum Support Wheel23W11129408 Whirlpool Out Housing25W10545924 Whirlpool Drum Assembly26Screw27280114 Whirlpool Dryer Drum Seal30W11222846 Whirlpool Door37WP697772 Whirlpool Dryer Blower Wheel42WP3387138 Whirlpool Cycling Thermostat44WP8544363 Whirlpool Housing45Lint Duct Assembly46Funnel, Burner47WP338906 Whirlpool Dryer Gas Sensor48THRMST-FIX51WP3387230 Whirlpool Screw52279780 Whirlpool Plate Cover53WPW10113136 Whirlpool Drum Baffle54WP697557 Whirlpool Bulkhead Assembly58Grill, Outlet59WP3390719 Whirlpool Dryer Thermal Fuse60WP697770 Whirlpool Blower Cover Plate Seal62WP8566209 Whirlpool Seal64W10120998 Whirlpool Dryer Lint Screen Filter