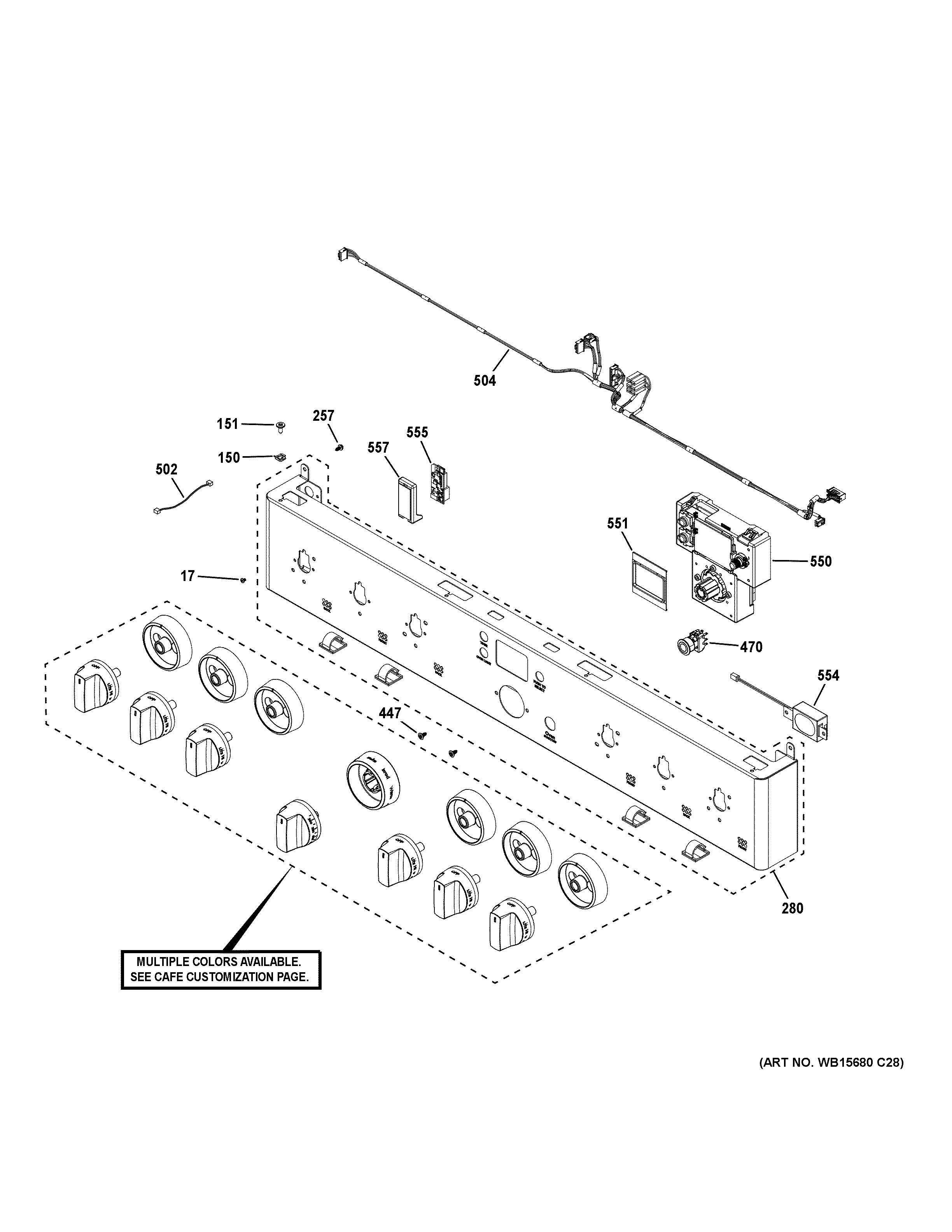
CGY366P2T2S1 CONTROL PANELadmin2025-04-26T08:35:08+00:00CGY366P2T2S1 CONTROL PANEL ProductsPositionProduct17WB01K10002 GE Oven Screw 8-32150SPRING WASHER151WB01T10009 GE Screw 10-16 Shoulder Type A257WB01K10042 GE Oven Screw 3/8" AB IHW 8-18280STAINLESS CONTROL PANEL 36"447WB01K10086 GE Oven Screw 8-18 AB TRPO 3/8 Stainless Steel470WB24X39913 GE Oven Start Switch502WB18K10085 GE Harness504HARNESS SERIAL UI550WB27X39638 GE Cafe Encoder551TRIM DISPLAY554WB27X33354 GE Speaker 70C 3W555GEA3 WIFI/BLE BOARD W/INSTRUCT557WB02X20265 GE Transceiver Housing