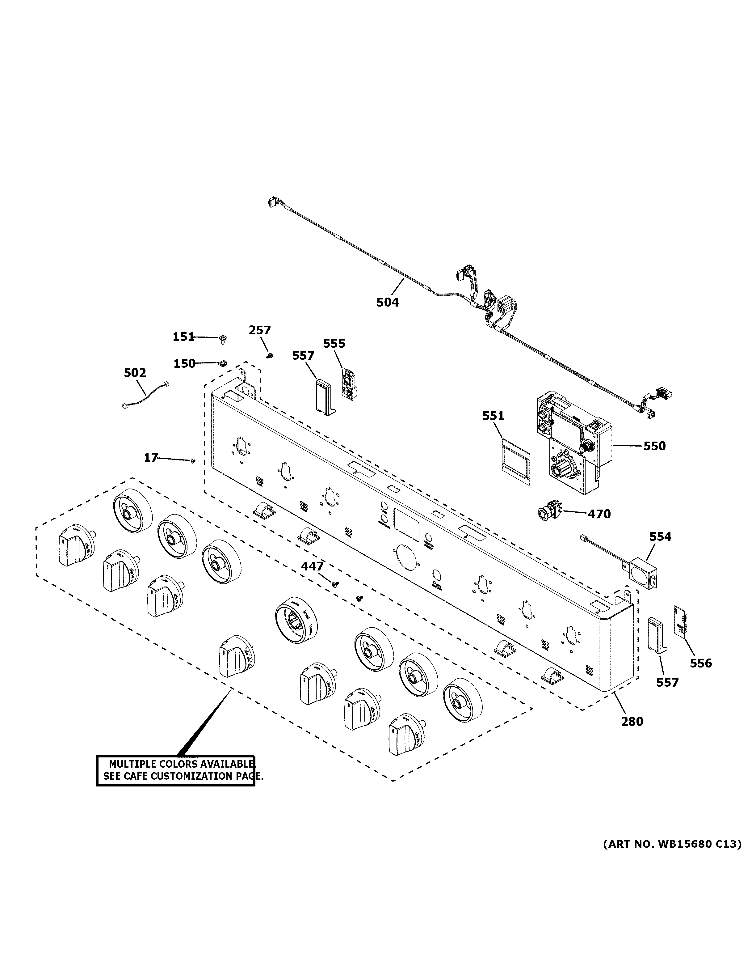
CGY366P3T1D1 CONTROL PANEL