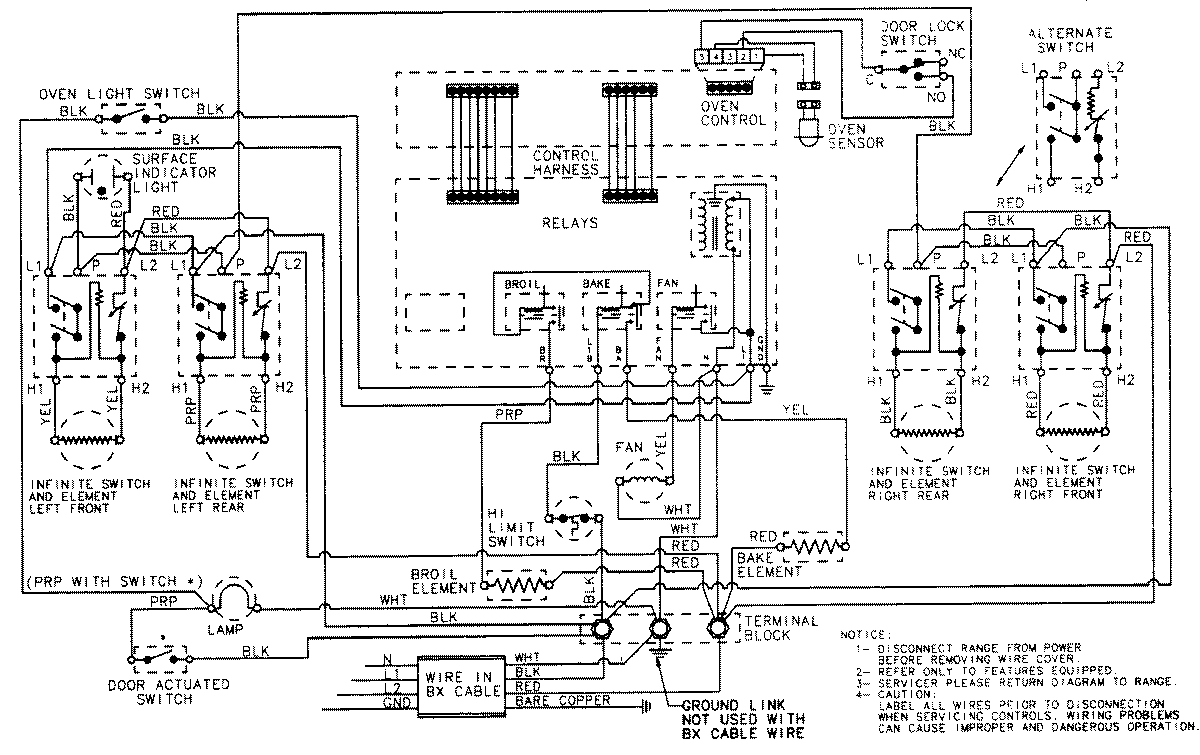
CHE9000BCB 07 – WIRING INFORMATIONadmin2025-04-26T09:39:08+00:00CHE9000BCB 07 – WIRING INFORMATION ProductsPositionProductNIMAY 15001375