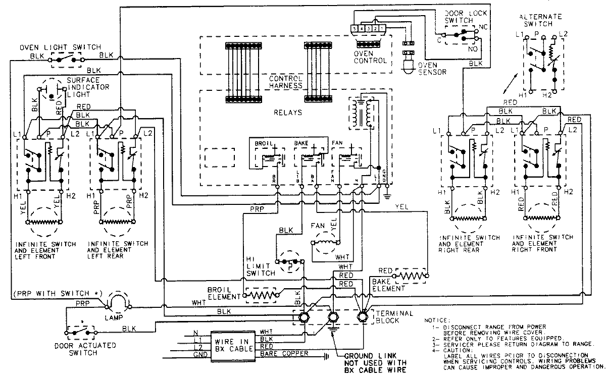
CHE9000BCE 06 – WIRING INFORMATIONadmin2025-04-26T09:37:53+00:00CHE9000BCE 06 – WIRING INFORMATION ProductsPositionProductNIMAY 15001375