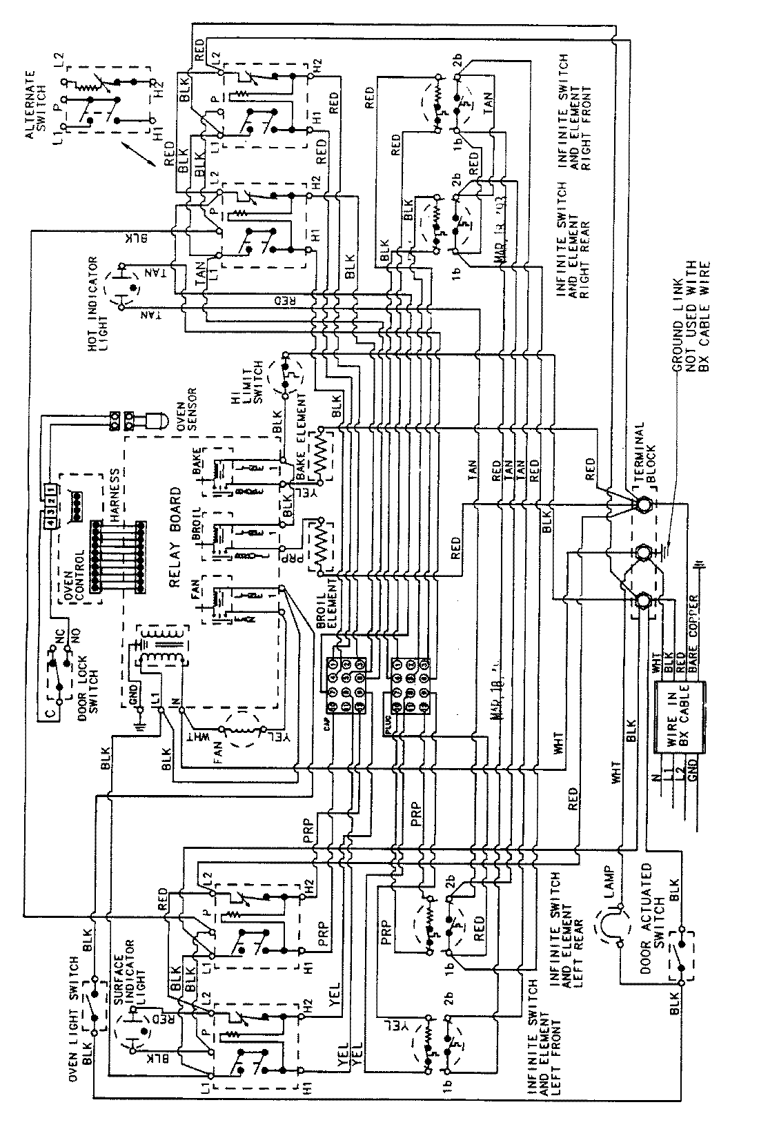
CHE9800ACB 06 – WIRING INFORMATIONadmin2025-04-26T09:38:25+00:00CHE9800ACB 06 – WIRING INFORMATION ProductsPositionProductNIMAY 15001261