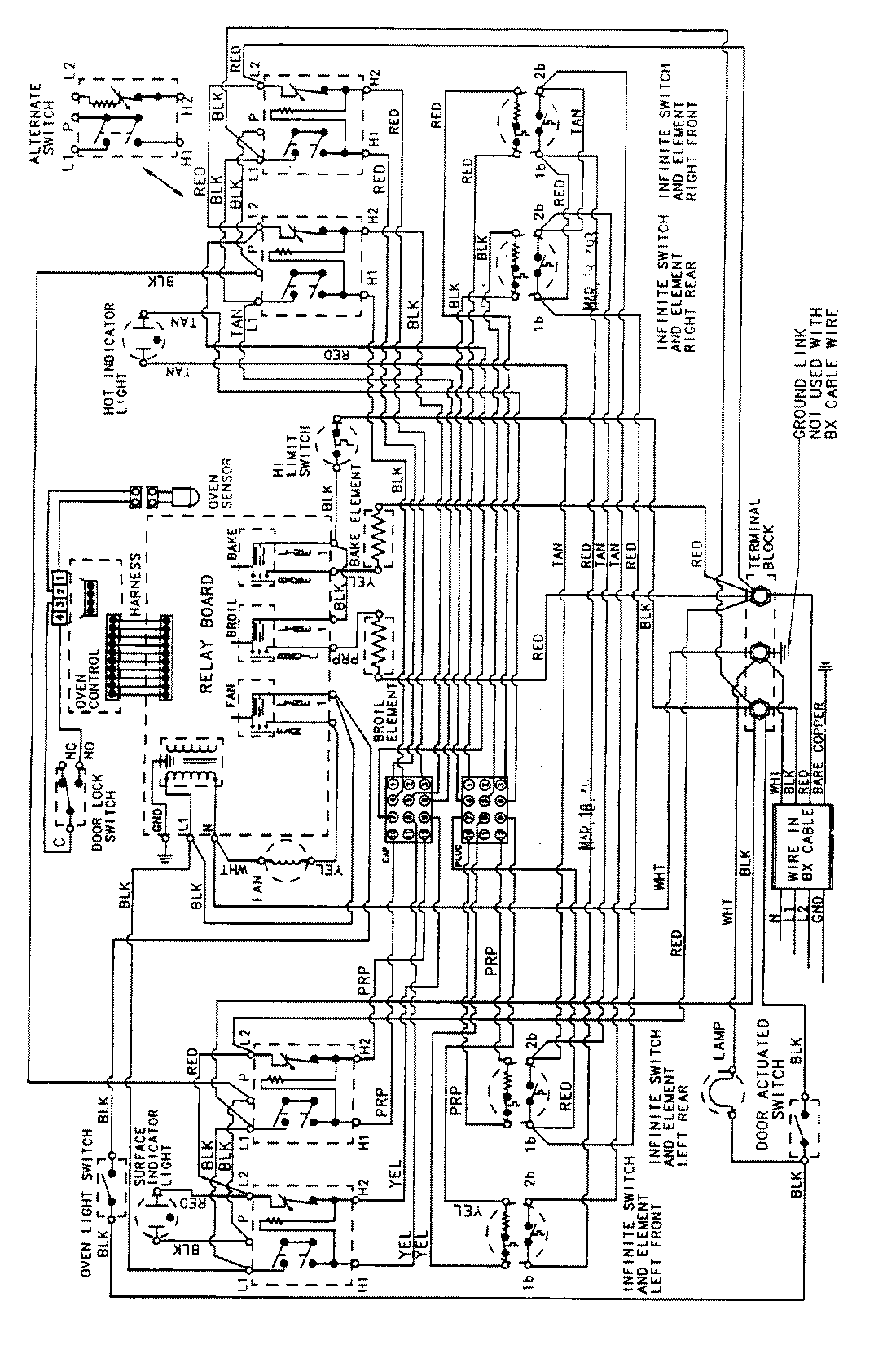
CHE9800ACE 06 – WIRING INFORMATIONadmin2025-04-26T09:39:46+00:00CHE9800ACE 06 – WIRING INFORMATION ProductsPositionProductNIMAY 15001261