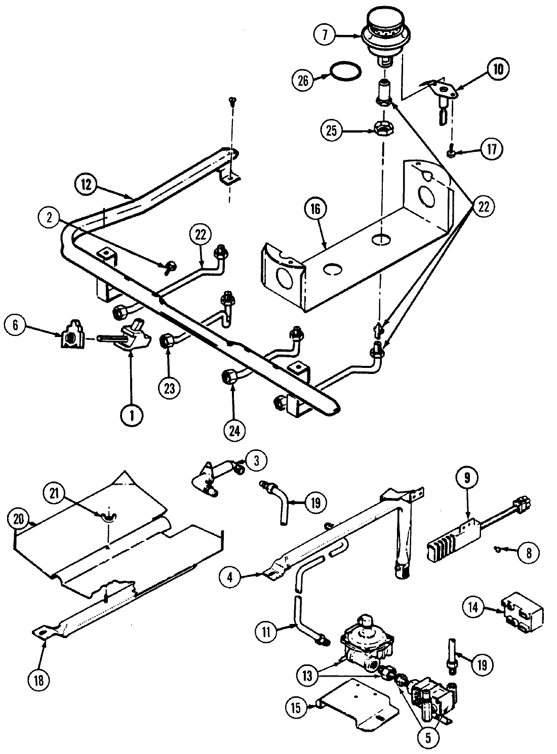
CHG9800AAE 03 – GAS CONTROLSadmin2025-04-26T09:41:51+00:00CHG9800AAE 03 – GAS CONTROLS ProductsPositionProductNIMAY 5125A312-60NIMAY 5140D038-60NIMAY 5195D111-60NIMAY 5185D274-601MAY 7502P251-602MAY 7101P044-603MAY 3605F186-453MAY 7507P088-604MAY 3403D043-454MAY 3807F446-455WP74006427 Whirlpool Oven Valve6WP7403P279-60 Whirlpool Igniter Switch7MAY 3412D018-268WP3351614 Whirlpool Screw9MAY 4005F421-459MAY 7432P076-6010NOT REQUIRED PART OR SEE NOTE FUSE (NOT REQUIRED)11MAY 3414F103-4412MAY 7513P121-6012MAY 7103P130-6013MAY 7510P050-6013MAY 7101P290-6014MAY 7431P024-6014MAY 3801F270-4515MAY 8020P007-6016MAY 3807F451-4517MAY 7101P315-6018MAY 3403D024-4519MAY 3414F102-4420MAY 3601F217-4521NUT, WING22MAY 7507P152-6023MAY 7507P086-6024MAY 7507P089-6025MAY 7103P119-6026MAY 7201P050-60