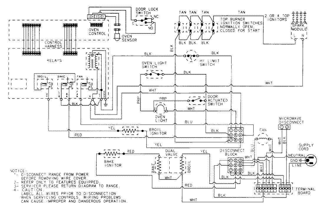
CHG9800BAB 06 – WIRING INFORMATIONadmin2025-04-26T09:40:34+00:00CHG9800BAB 06 – WIRING INFORMATION ProductsPositionProductNIMAY 15001874NIMAY 15001433