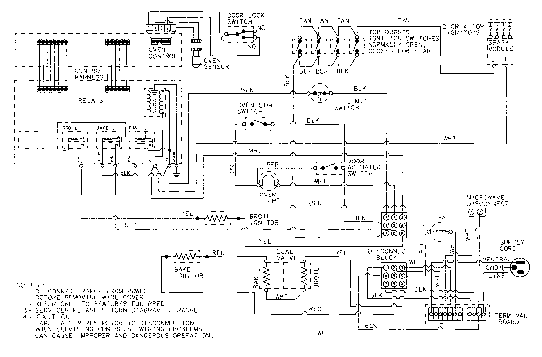
CHG9800BAE 07 – WIRING INFORMATIONadmin2025-04-26T09:41:42+00:00CHG9800BAE 07 – WIRING INFORMATION ProductsPositionProductNIMAY 15001874NIMAY 15001433