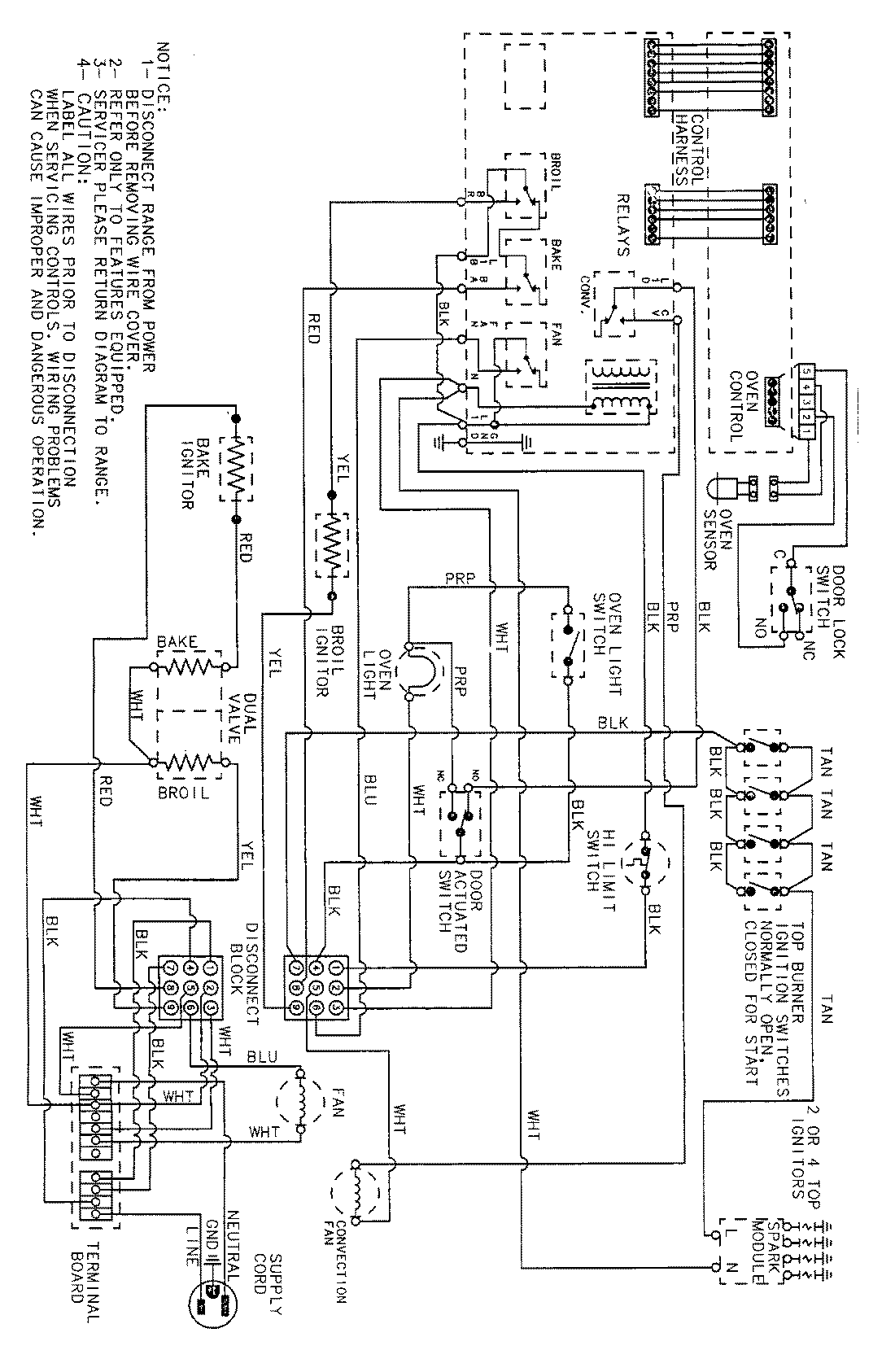
CHG9830BAB 06 – WIRING INFORMATIONadmin2025-04-26T09:39:09+00:00CHG9830BAB 06 – WIRING INFORMATION ProductsPositionProductNIMAY 15001820