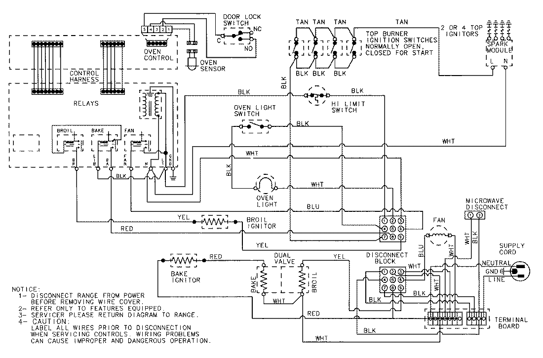
CHGA400BAB 06 – WIRING INFORMATIONadmin2025-04-26T09:41:15+00:00CHGA400BAB 06 – WIRING INFORMATION ProductsPositionProductNIMAY 15001412