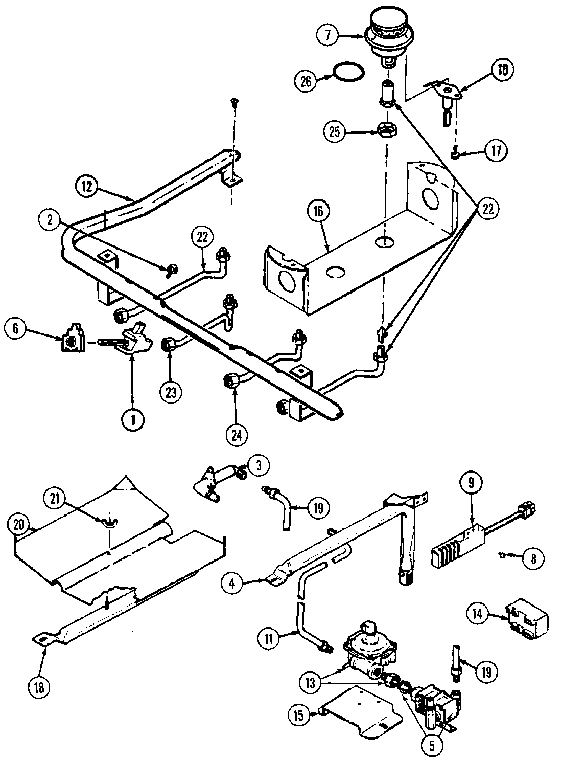
CHGA400BAE 03 – GAS CONTROLadmin2025-04-26T09:44:48+00:00CHGA400BAE 03 – GAS CONTROL ProductsPositionProduct1MAY 7101P044-601MAY 7502P251-602MAY 3605F186-452MAY 7507P088-603MAY 3403D043-453MAY 3807F446-454WP74006427 Whirlpool Oven Valve5WP7403P279-60 Whirlpool Igniter Switch6MAY 3412D018-267MAY 7101P315-608WP3351614 Whirlpool Screw9MAY 4005F421-459MAY 7432P076-6010NOT REQUIRED PART OR SEE NOTE FUSE (NOT REQUIRED)11MAY 7201P050-6012MAY 7103P130-6012MAY 7513P121-6013MAY 3414F103-4414MAY 3801F270-4514MAY 7101P290-6014MAY 7510P050-6015MAY 7431P024-6015MAY 3801F341-4516MAY 5187D036-6016MAY 5187D037-6017MAY 8020P007-6018NUT, WING19MAY 3414F102-4420MAY 3403D024-4521MAY 3601F217-4522MAY 5140D038-6022MAY 5125A312-60