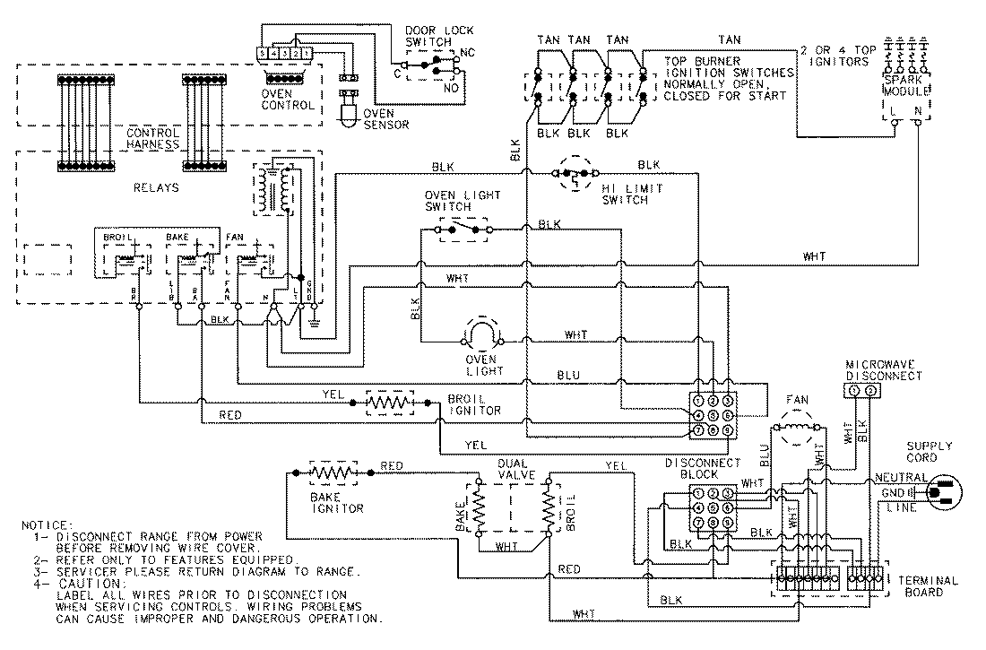
CHGA400BAE 06 – WIRING INFORMATIONadmin2025-04-26T09:43:57+00:00CHGA400BAE 06 – WIRING INFORMATION ProductsPositionProductNIMAY 15001412