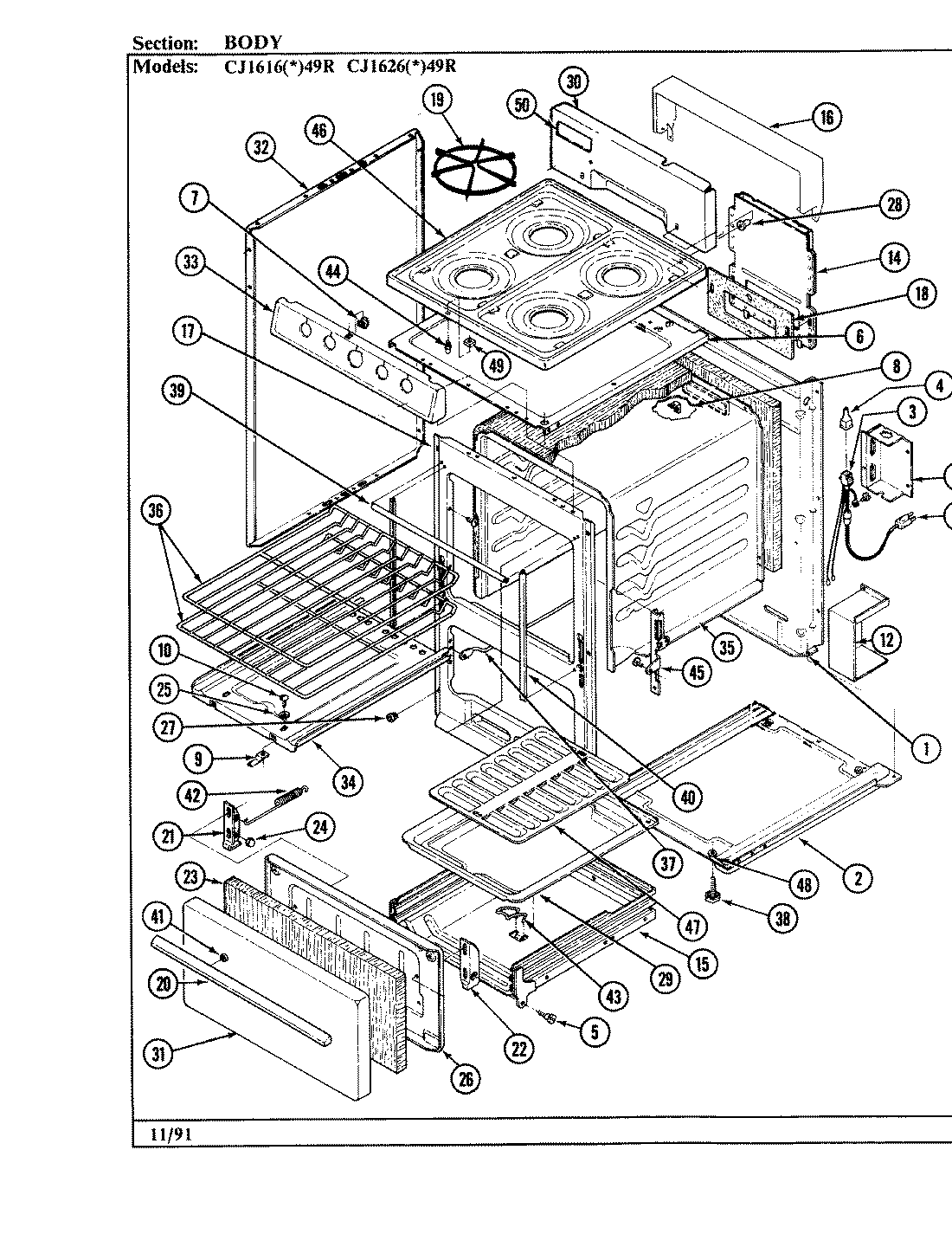
CJ1616W49R 01 – BODY