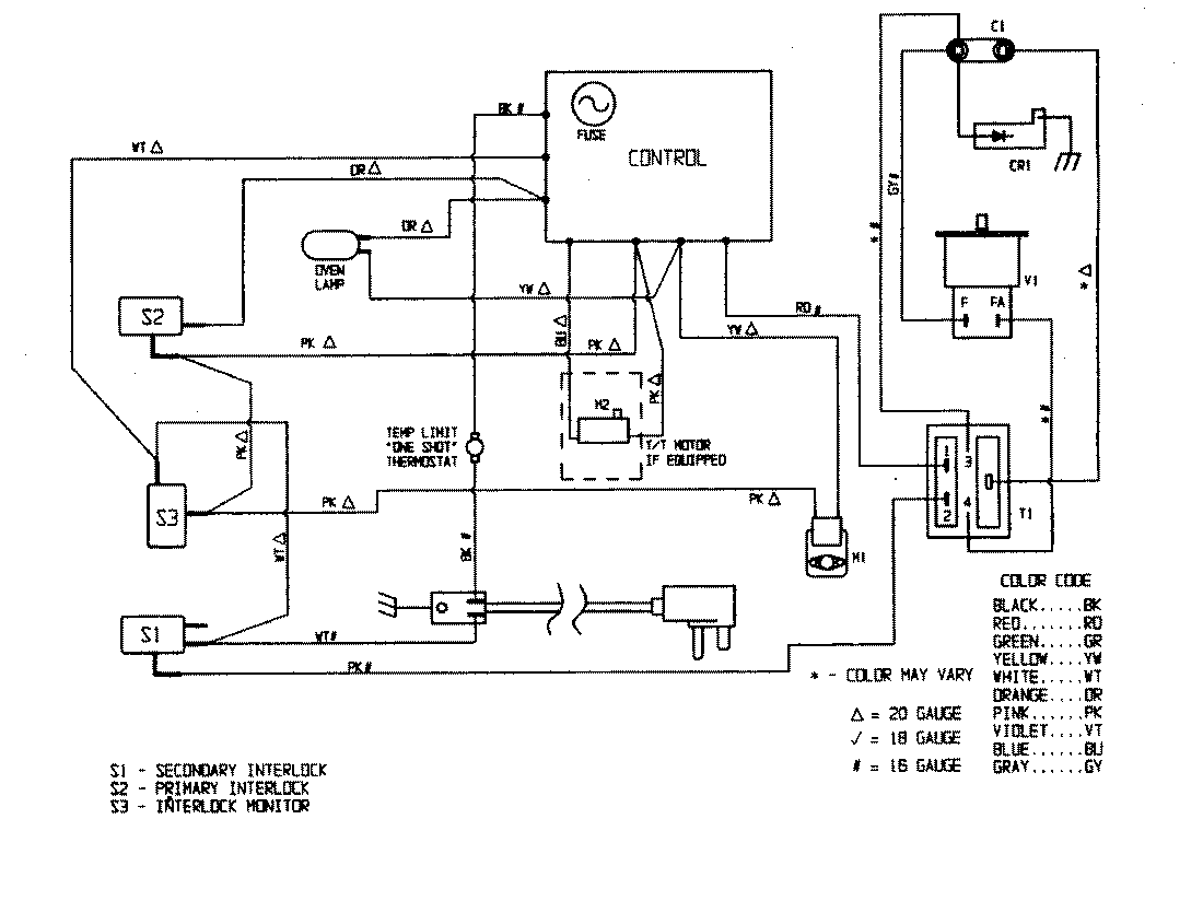
CM15K-7BS-NB 05 – WIRING INFORMATIONadmin2025-04-26T13:11:00+00:00CM15K-7BS-NB 05 – WIRING INFORMATION ProductsPositionProductNIMAY 15001259