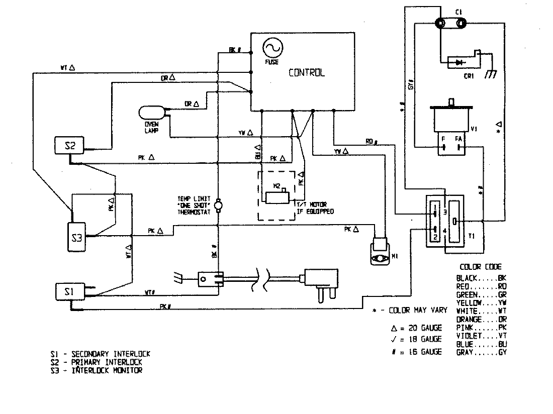
CM15KW-7BS-NB 05 – WIRING INFORMATIONadmin2025-04-26T13:13:38+00:00CM15KW-7BS-NB 05 – WIRING INFORMATION ProductsPositionProductNIMAY 15001259