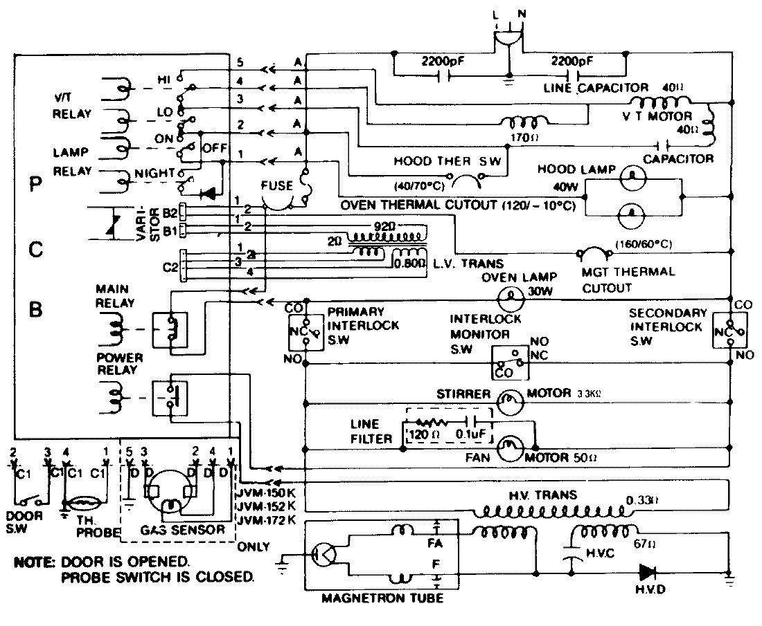
CME9010AAE 06 – WIRING INFORMATIONadmin2025-04-26T11:45:34+00:00CME9010AAE 06 – WIRING INFORMATION ProductsPositionProductNIMAY 15001115