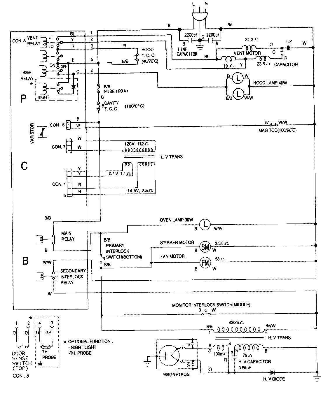
CME9010CAB 06 – WIRING INFORMATIONadmin2025-04-26T11:47:59+00:00CME9010CAB 06 – WIRING INFORMATION ProductsPositionProductNIMAY 15001427