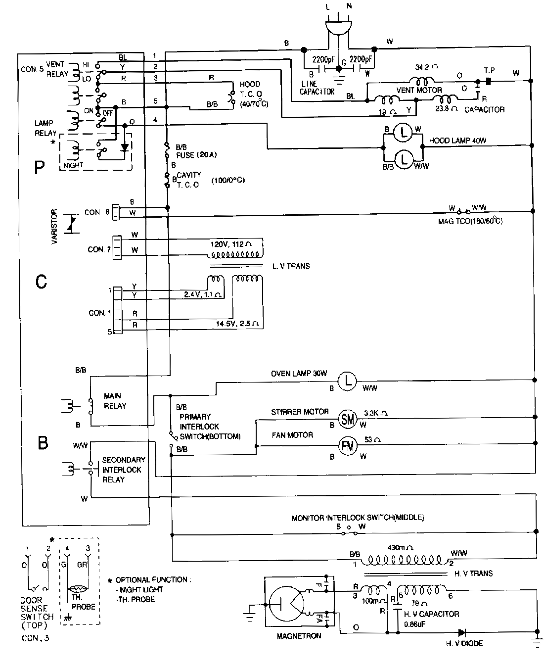
CME9010DAB 06 – WIRING INFORMATIONadmin2025-04-26T11:47:50+00:00CME9010DAB 06 – WIRING INFORMATION ProductsPositionProductNIMAY 15001559