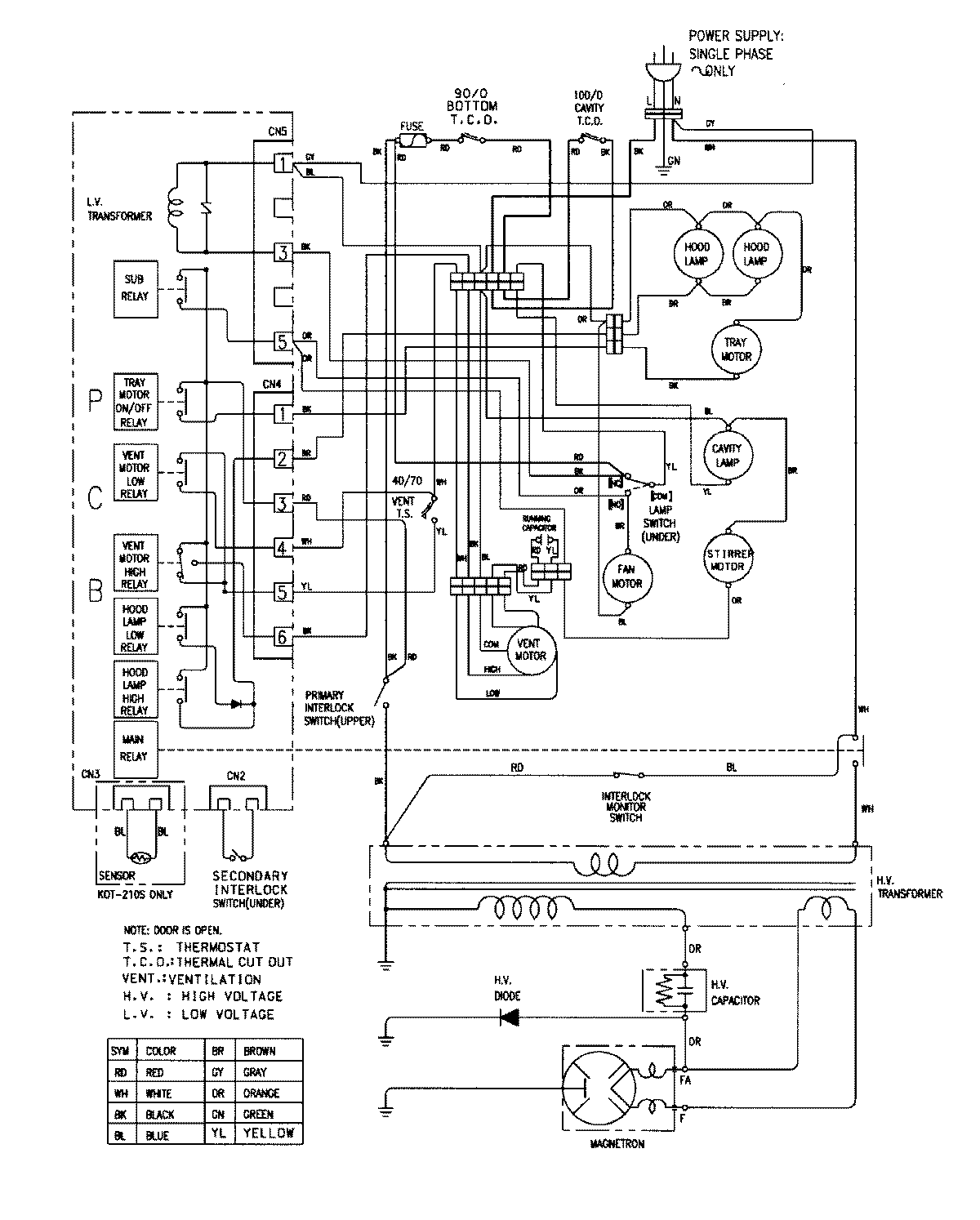
CMV1000ADA 06 – WIRING INFORMATIONadmin2025-04-26T11:48:30+00:00CMV1000ADA 06 – WIRING INFORMATION ProductsPositionProductNIMAY 15002357