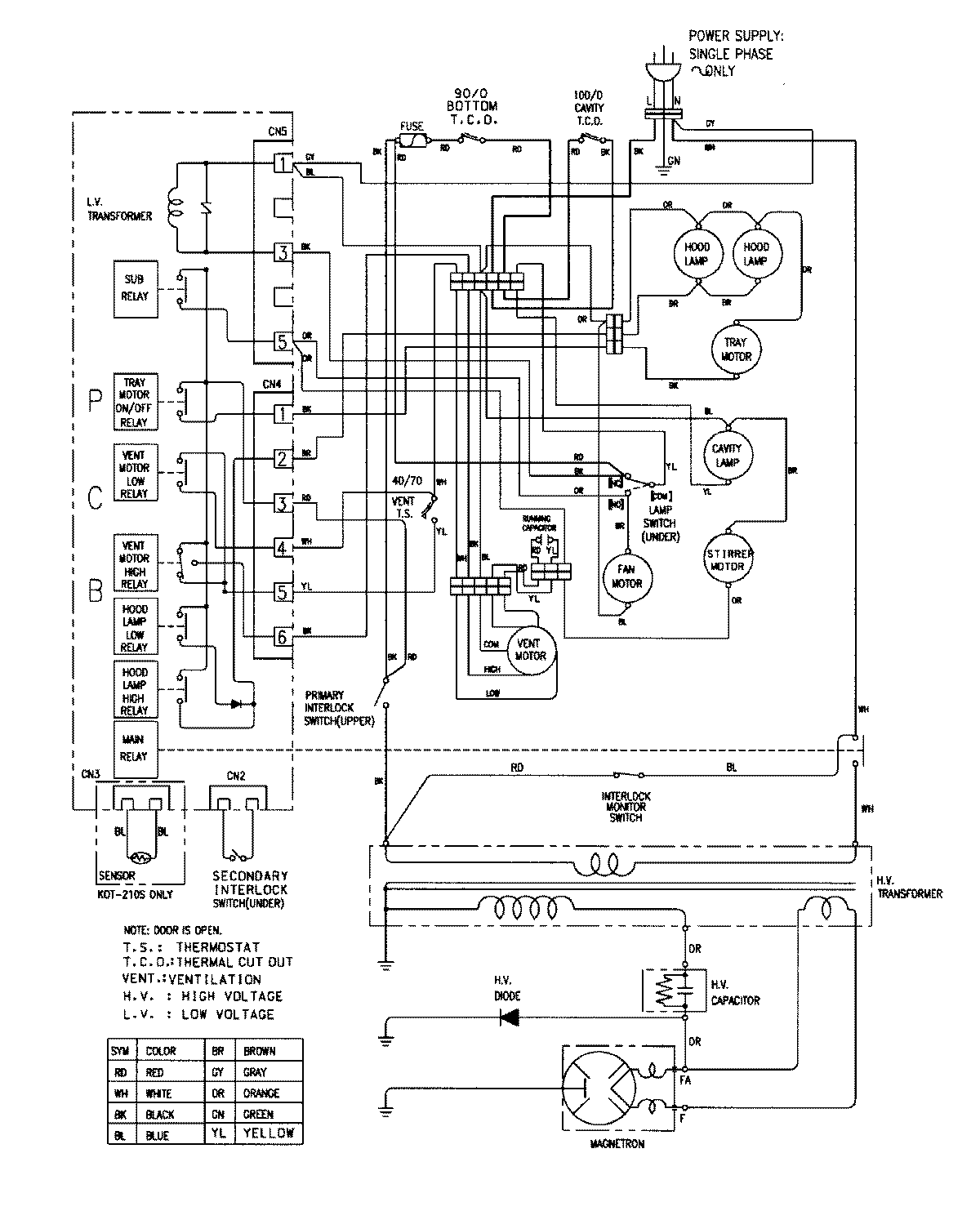
CMV1000ADB 06 – WIRING INFORMATIONadmin2025-04-26T11:46:37+00:00CMV1000ADB 06 – WIRING INFORMATION ProductsPositionProductNIMAY 15002357