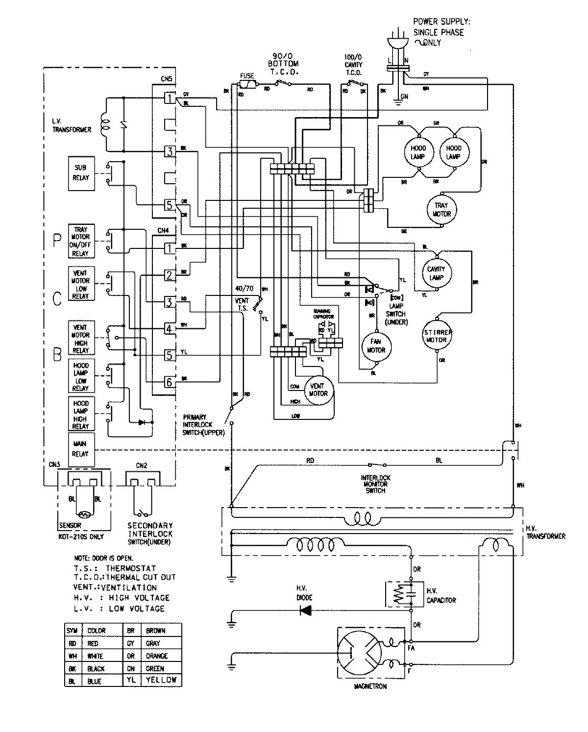
CMV1000ADW 06 – WIRING INFORMATIONadmin2025-04-26T11:49:14+00:00CMV1000ADW 06 – WIRING INFORMATION ProductsPositionProductNIMAY 15002357