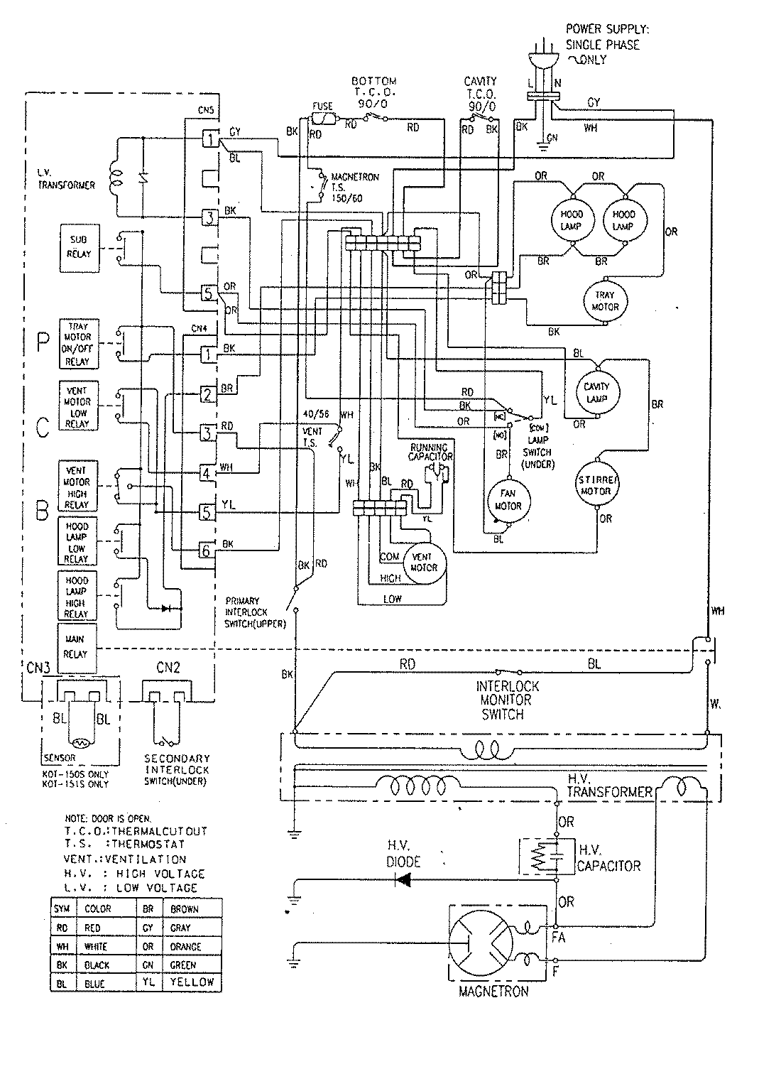
CMV1000BAB 06 – WIRING INFORMATIONadmin2025-04-26T11:47:29+00:00CMV1000BAB 06 – WIRING INFORMATION ProductsPositionProductNIMAY 15002670