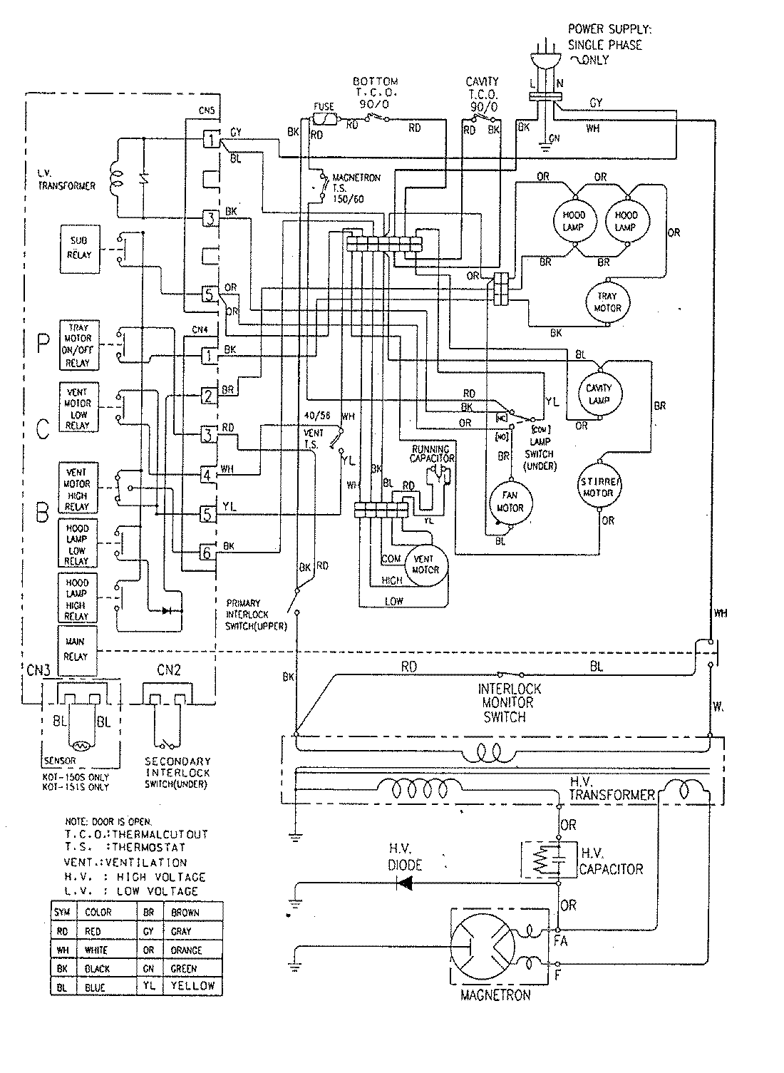
CMV1000BAQ 06 – WIRING INFORMATIONadmin2025-04-26T11:46:43+00:00CMV1000BAQ 06 – WIRING INFORMATION ProductsPositionProductNIMAY 15002670