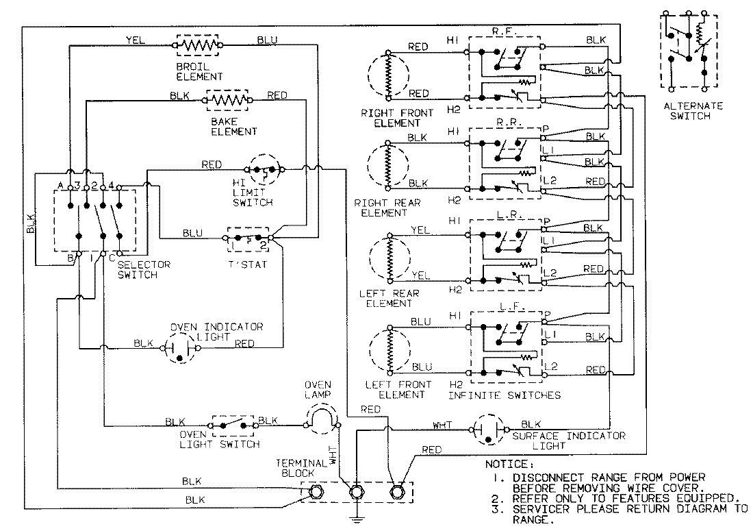
CNEA100ACW 05 – WIRING INFORMATIONadmin2025-04-26T11:45:17+00:00CNEA100ACW 05 – WIRING INFORMATION ProductsPositionProductNIMAY 15001413