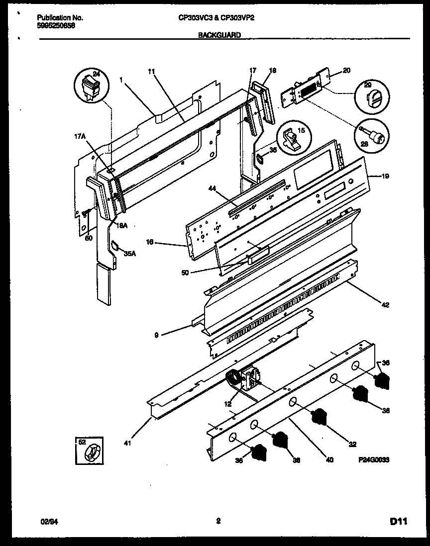
CP303VC3D2 02 – BACKGUARD