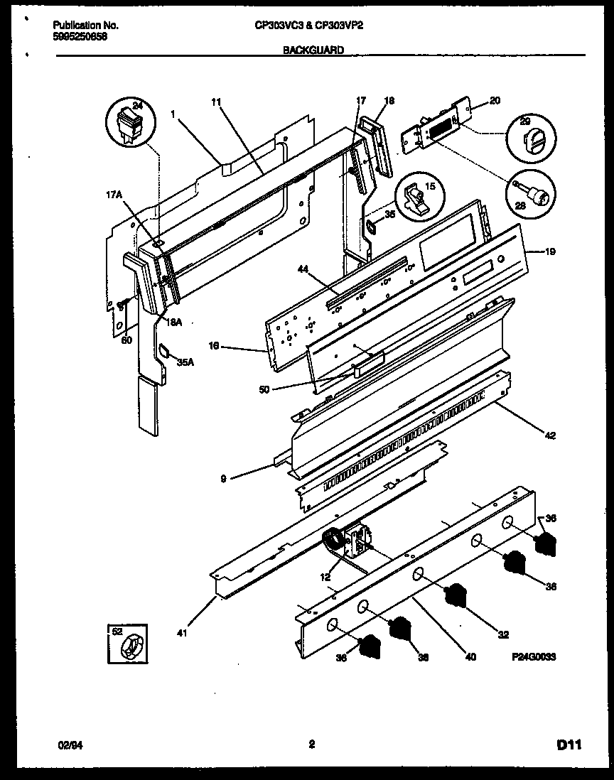
CP303VC3W2 02 – BACKGUARD