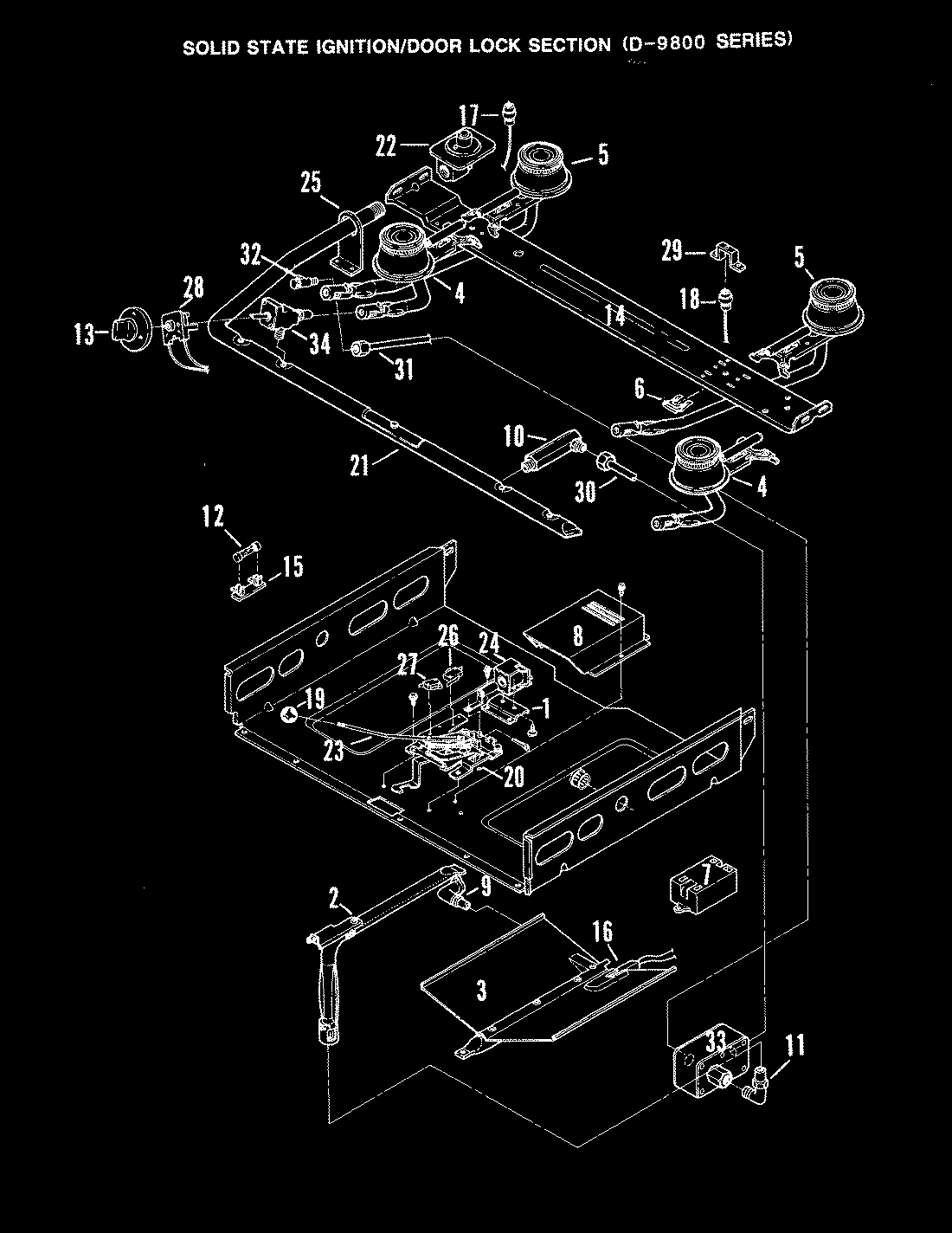
CPD9822A539ACG 04 – CONTROLSadmin2025-04-26T08:56:35+00:00CPD9822A539ACG 04 – CONTROLS ProductsPositionProduct1MAY 9G643013192MAY 9G205083193MAY 9G205084994MAY 9G201031225MAY 9G201032226MAY Y0C001010997MAY Y0C050010998MAY 9G272018459MAY 0F0048012110MAY Y0F0120011611MAY 0F0120021612MAY Y0F0160059913MAY Y0H0011924313MAY Y0H0011914314MAY 9G1340376015MAY 0H0160059916MAY Y0I0050419917MAY Y0I0050199918MAY Y0I0050429919MAY 0K0100044320MAY 0L0080029921MAY 9G1301324522MAY Y0R0030131622MAY Y0R0030121623MAY 0R0020011124MAY 0S0500039925MAY 9G1090124526MAY Y0S0300559927MAY Y0S0300569928MAY Y0S0300599928MAY Y0S0300589929MAY 9G4330019830MAY Y0T3750151631MAY 0T3750161632MAY 0V0301092133MAY 0V0343089934MAY Y0V8621536534MAY Y0V85215365