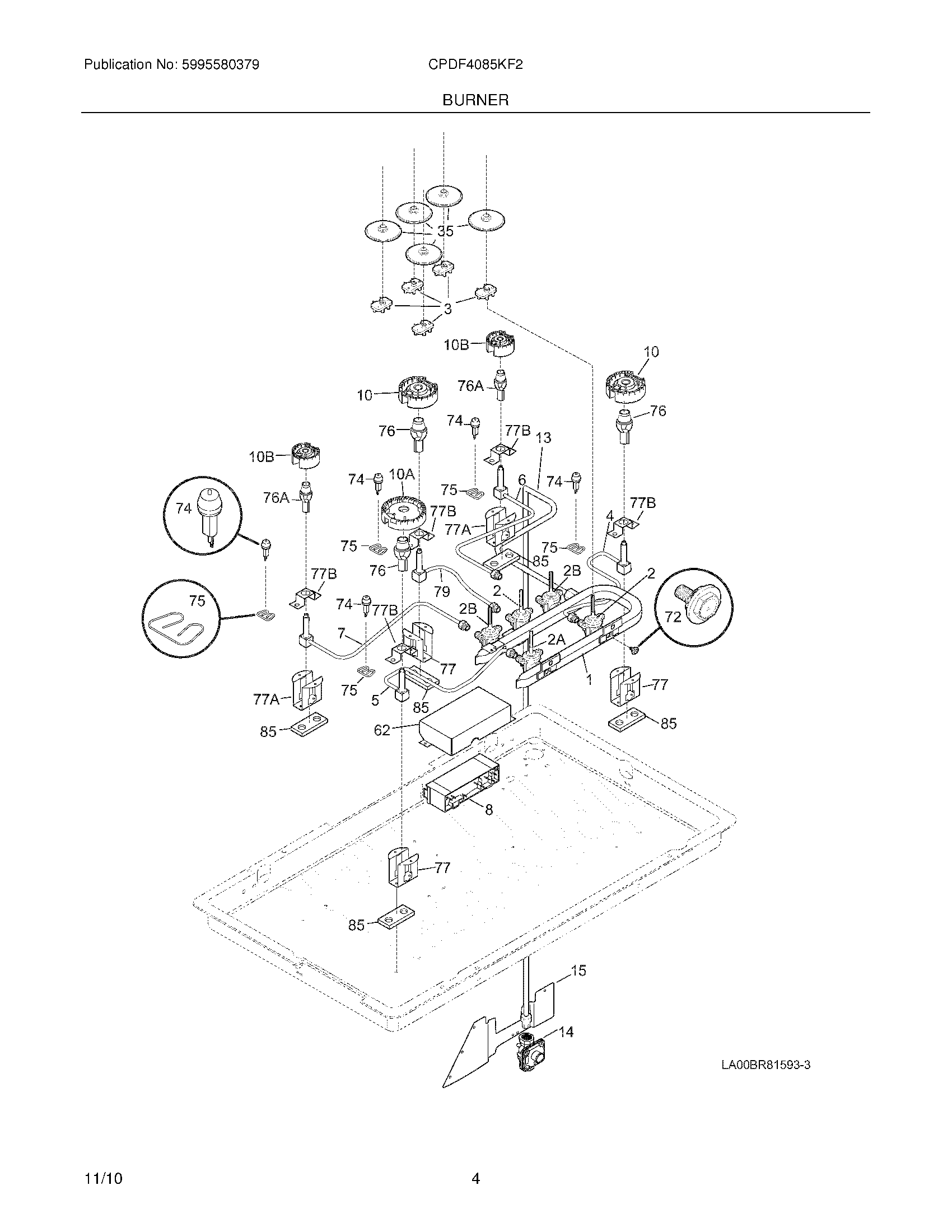
CPDF4085KF2 05 – BURNER