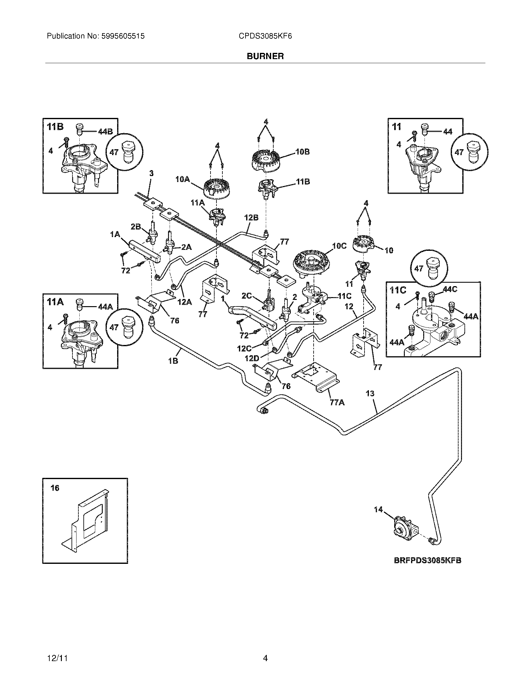
CPDS3085KF6 05 – BURNER