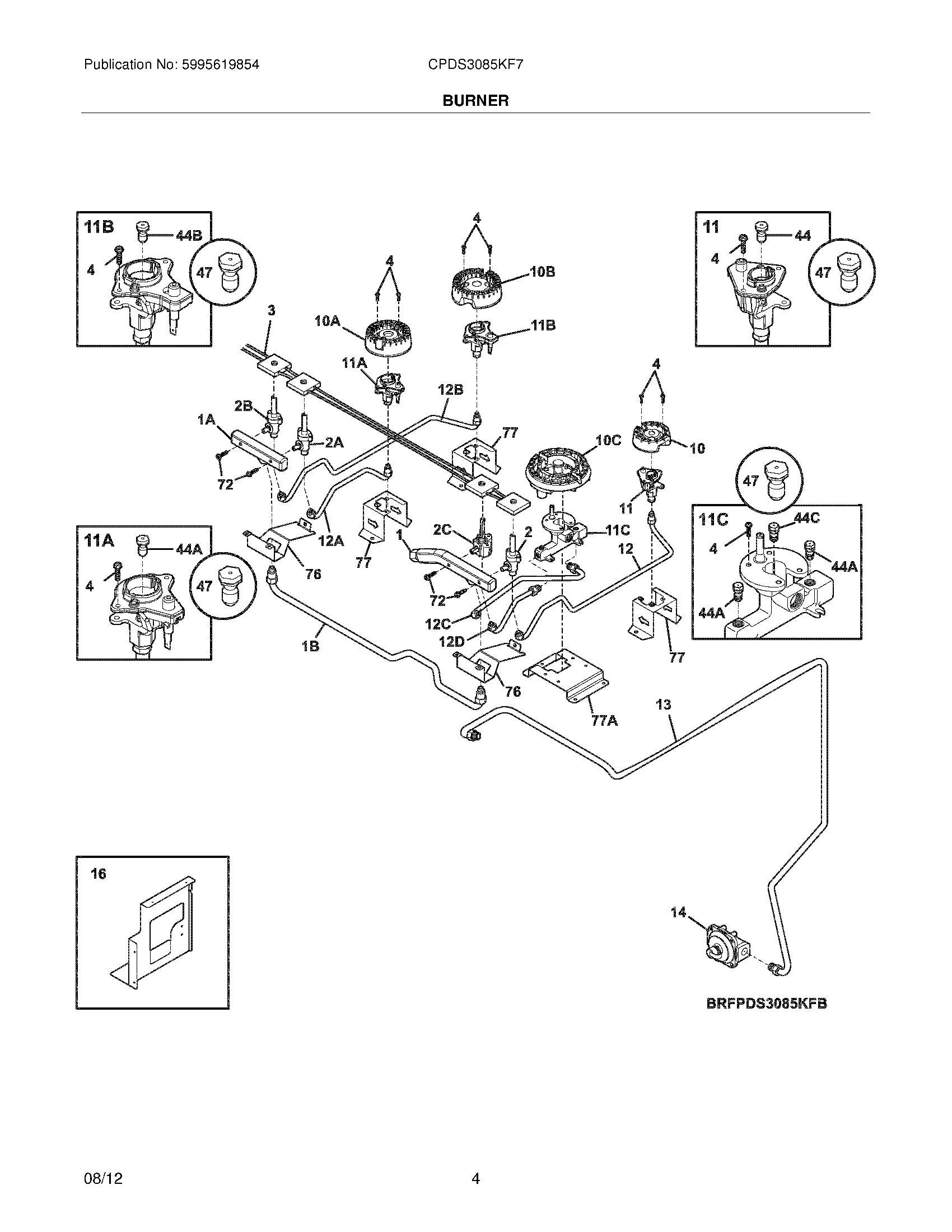
CPDS3085KF7 05 – BURNER