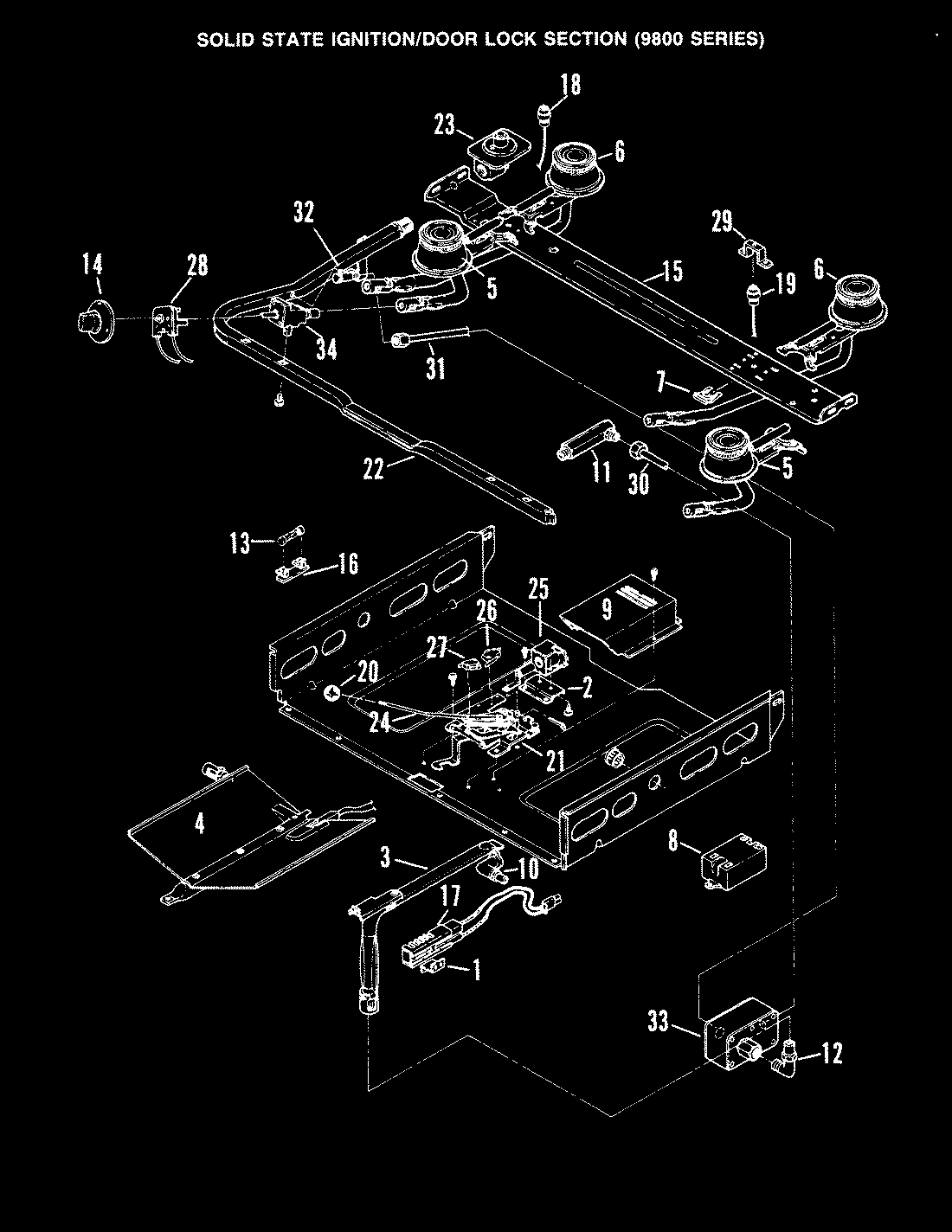
CPF9826W429R 03 – CONTROLSadmin2025-04-26T08:56:18+00:00CPF9826W429R 03 – CONTROLS ProductsPositionProduct1MAY 9G643011192MAY 9G643013193MAY 9G205083194MAY 9G205084995MAY 9G201031226MAY 9G201032227MAY Y0C001010998MAY Y0C050010999MAY 9G2720184510MAY 0F0048012111MAY Y0F0120011612MAY 0F0120021613MAY Y0F0160059914MAY Y0H0011924314MAY Y0H0011914315MAY 9G1340376016MAY 0H0160059917MAY Y0I0050419918MAY Y0I0050199919MAY Y0I0050429920MAY 0K0100044321MAY 0L0080029922MAY 0P0750039923MAY Y0R0030151623MAY Y0R0030141624MAY 0R0020011125MAY 0S0500039926MAY Y0S0300559927MAY Y0S0300569928MAY Y0S0300799929MAY 9G4330019830MAY Y0T3750151631MAY 0T3750181632MAY 0V0301102133MAY 0V0343089934MAY 0V8727536534MAY 0V88275365