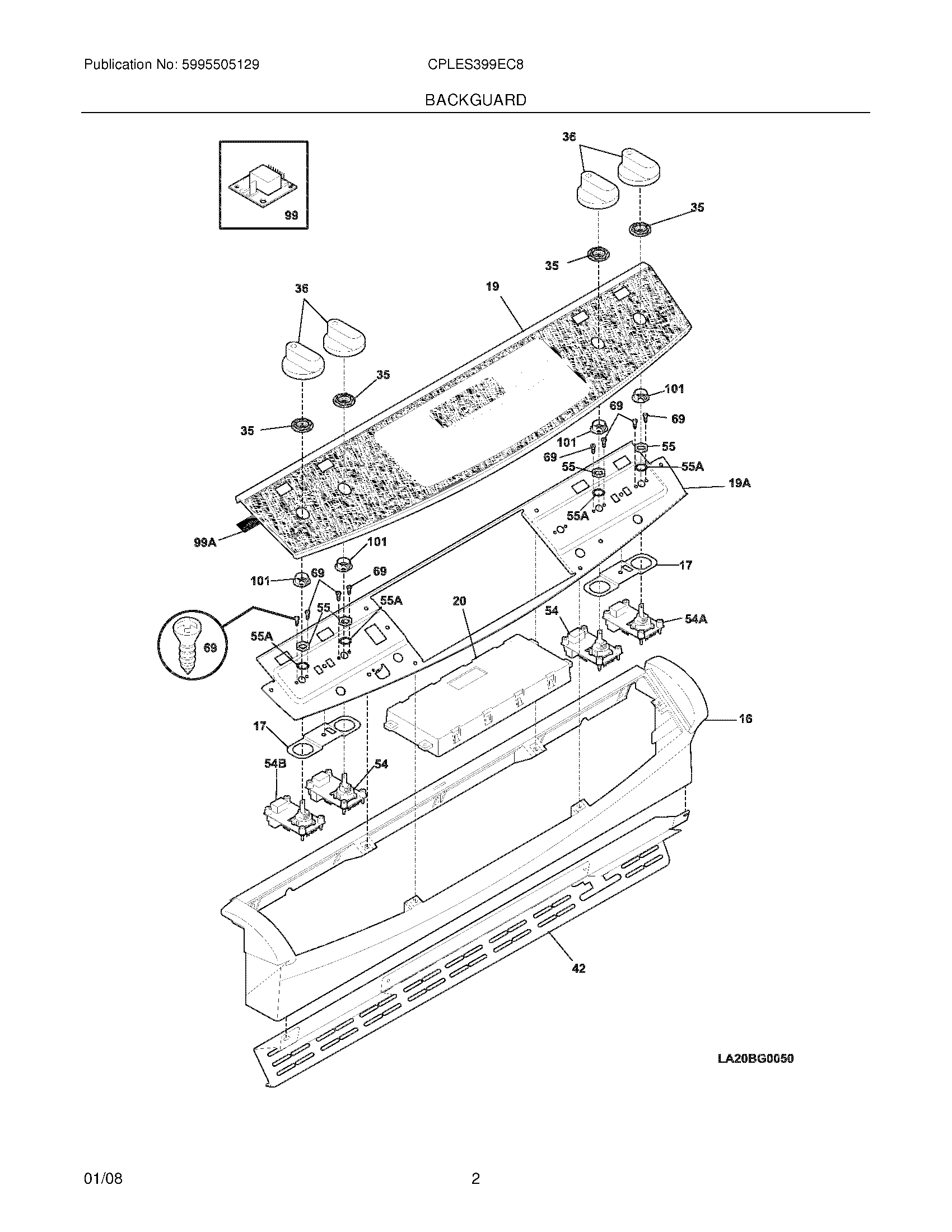
CPLES399EC8 03 – BACKGUARDadmin2025-04-26T08:47:47+00:00CPLES399EC8 03 – BACKGUARD ProductsPositionProductNI5303300265 Frigidaire Oven ScrewNIWCI 318224849NIWCI 318228856NIWCI 5304447071NISCREW,TRUSS HEAD,8-18 X 0.375NI5304453707 Frigidaire Oven Screw16WCI 31829910217WCI 31830690019WCI 31831383219AWCI 31822440520316462841 Frigidaire Controller35WCI 31823372036318319301 Frigidaire Oven Surface Unit Control Knob (Black)42WCI 31829800154316441800 Frigidaire Oven Control54BControl,electronic ,left front ,dual element,w/potentiometer54A316441801 Frigidaire Oven Control55316247700 Frigidaire Oven Nut55A316247800 Frigidaire Oven Washer695303288565 Frigidaire Screw99A318223900 Frigidaire Oven Gasket99WCI 316435702101WCI 318233400