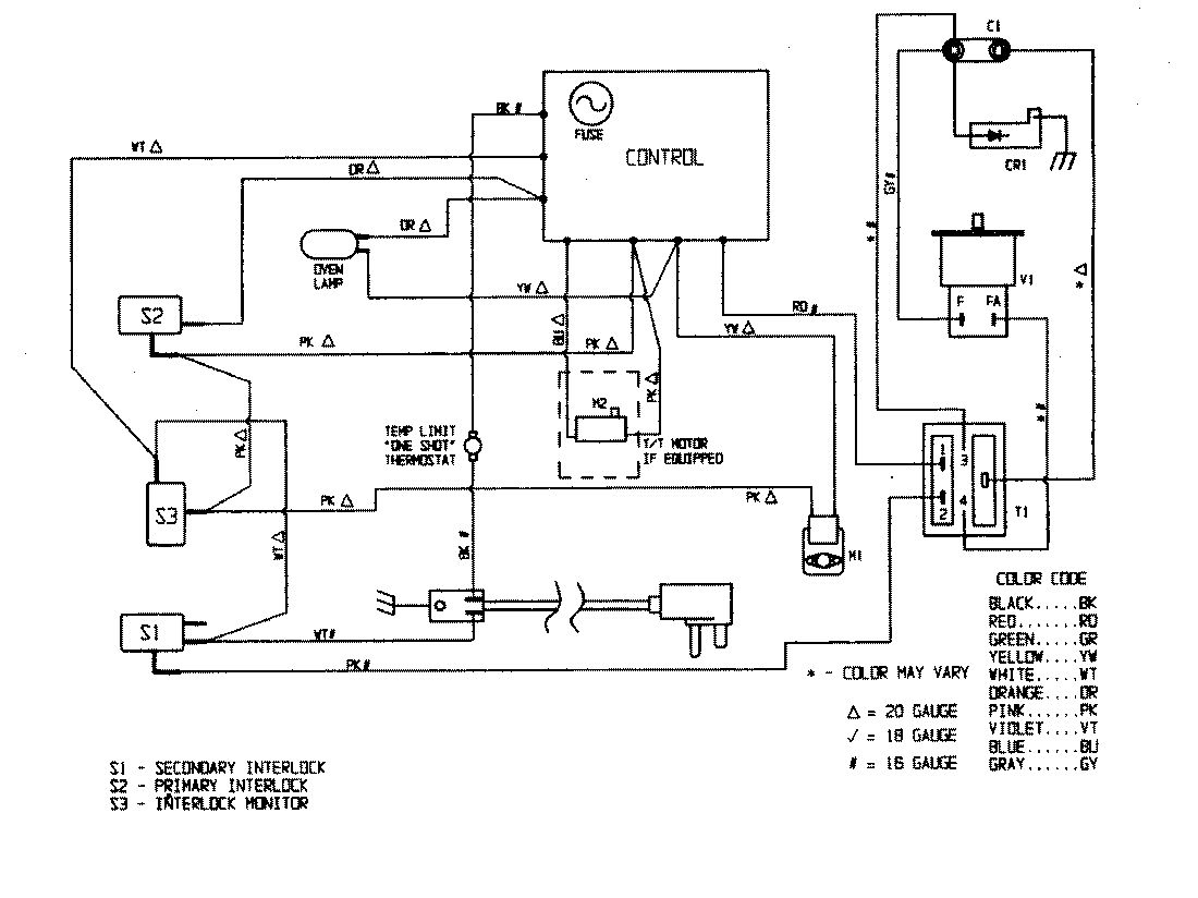
CR1100KG 05 – WIRING INFORMATIONadmin2025-04-26T08:56:24+00:00CR1100KG 05 – WIRING INFORMATION ProductsPositionProductNIMAY 15001259