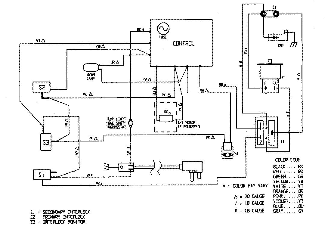
CR154K 06 – WIRING INFORMATIONadmin2025-04-26T08:56:18+00:00CR154K 06 – WIRING INFORMATION ProductsPositionProductNIMAY 15001259