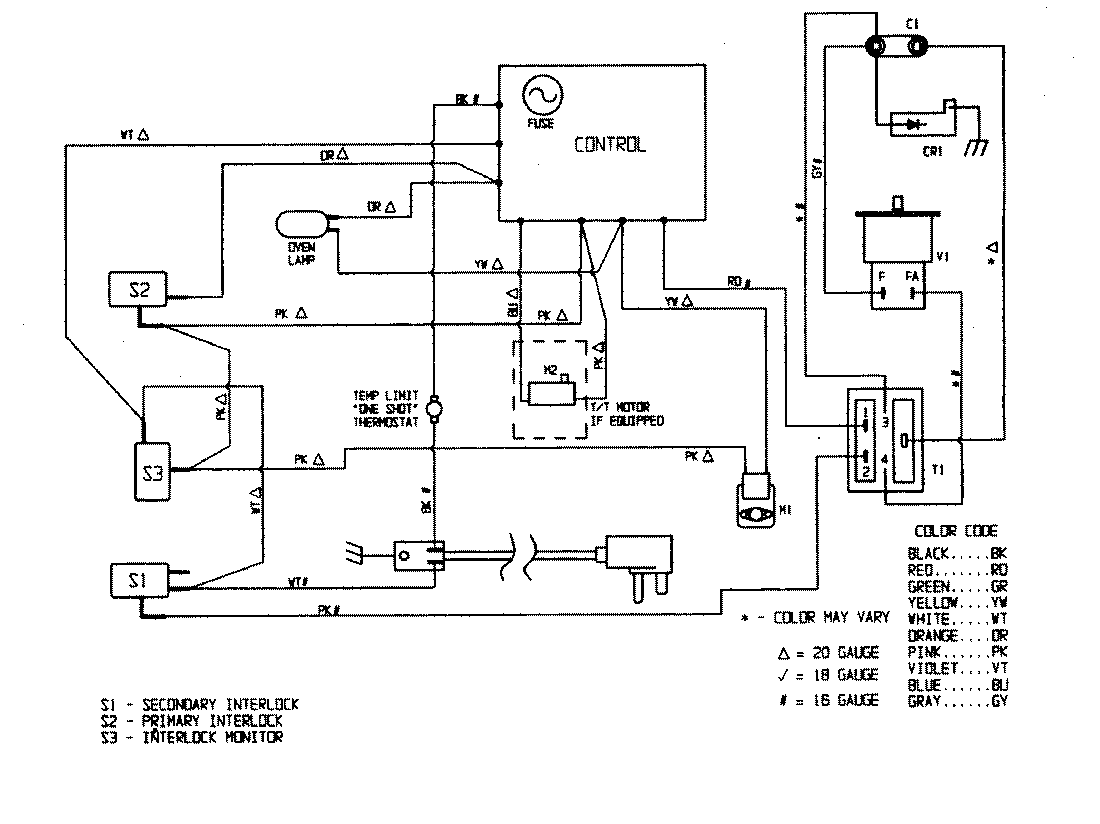
CR4614K 06 – WIRING INFORMATIONadmin2025-04-26T08:56:11+00:00CR4614K 06 – WIRING INFORMATION ProductsPositionProductNIMAY 15001259