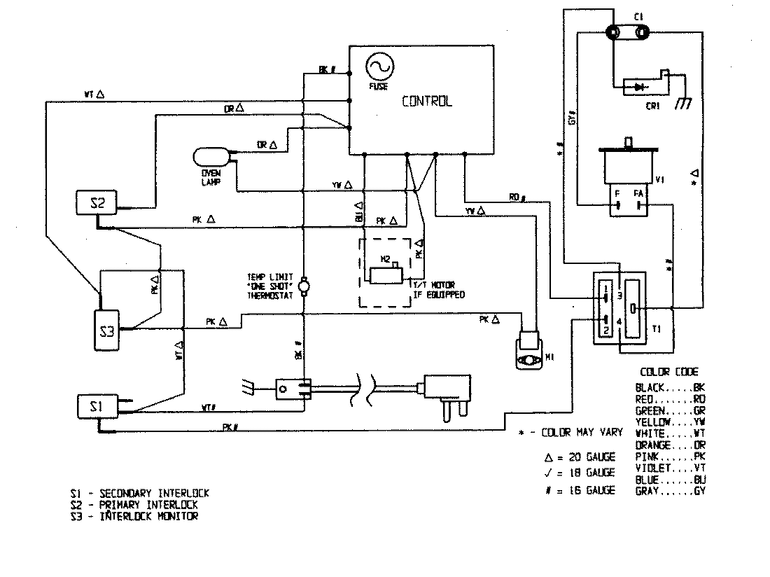
CR4614KWH 05 – WIRING INFORMATIONadmin2025-04-26T08:56:13+00:00CR4614KWH 05 – WIRING INFORMATION ProductsPositionProductNIMAY 15001259