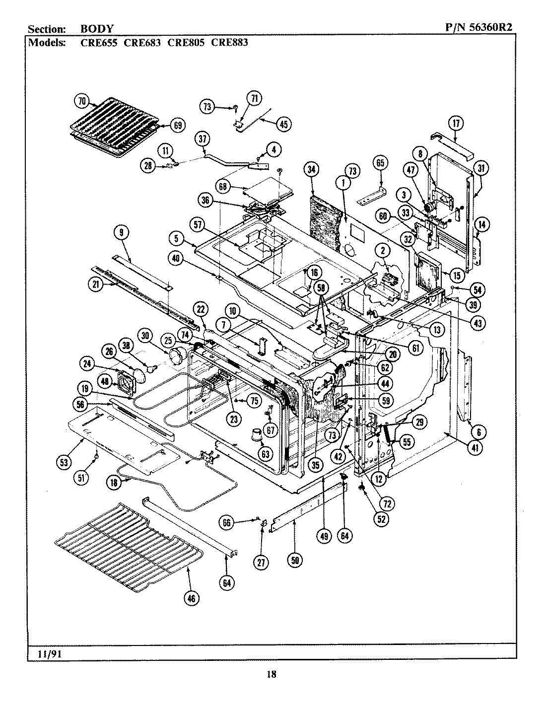
CRE683 01 – BODY