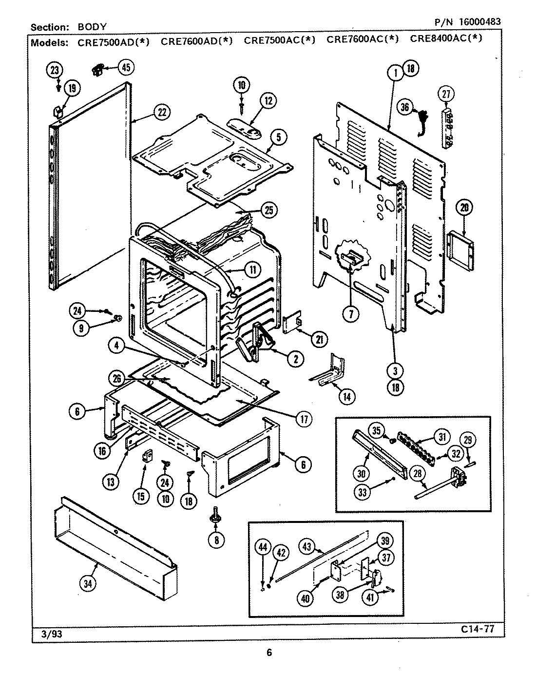
CRE7600ACW 01 – BODY